Mã sản phẩm:
Danh mục: List Tsubaki
Chúng tôi là nhà phân phối chính thức và duy nhất các sản phẩm của Tsubaki motor tại thị trường Việt Nam, Quý khách có nhu cầu về các sản phẩm của Tsubaki motor vui lòng liên hệ trực tiếp với chúng tôi để được tư vấn nhanh hơn. Hotline: 0974190088/Zalo
Email: vuonguoc@gmail.com
Tsubaki động cơ đại lý ủy quyền

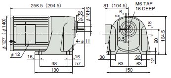
GMTA010-18L5
( Click here for a list of all DXF files )
To CADENAS WEB2CAD website.
Contact us for details.
Contact us for details.
※Notice regarding discontinuation of some models in June 2019
| ※ | The CAD data contained herein is made available to you via the CAD drawing library; PARTcommunity is provided by CADENAS WEB2CAD Co. |
| ※ | Please direct your inquiries regarding the CAD data service or PARTcommunity to: CADENAS WEB2CAD Co. TEL: +81 (3) 5961-5031 FAX: +81 (3) 5961-5032 |
| Motor Output | Frame No. | Nominal Reduction Ratio | Gear Reduction Stages | Output shaft speed r/min 50/60/60Hz |
Allowable torque on output shaft | Allowable OHL on Output Shaft | Estimated Mass kg |
||||
|---|---|---|---|---|---|---|---|---|---|---|---|
| 50Hz | 60Hz | ||||||||||
| N・m | {kgf・m} | N・m | {kgf・m} | N | {kgf} | ||||||
| 0.1kW | 18 | 1/5 | 2 | 300/360/360 | 2.8 | 0.29 | 2.4 | 0.24 | 274 | 28 | 6.6 |
The output shaft speed is the synchronized speed of the motor divided by the reduction ratio.
| Phases | Poles | Frequency Hz |
Voltage V 50/60/60Hz |
Rated amperage A 50/60/60Hz |
Rated Speed r/min 50/60/60Hz |
Protection | Cooling | Rating | Insulation Class |
|---|---|---|---|---|---|---|---|---|---|
| 3 Phase | 4 | 50/60/60 | 200/200/220 | 0.63/0.57/0.58 | 1420/1680/1710 | Fully closed (IP44) |
Air-cooled (IC410) |
Continuous | Class E |
| Reducer | Lubrication System | Grease lubrication |
|---|---|---|
| Keyway at shaft tip | New JIS standard key (JIS B1301-1976): Output shaft key included ( Keyways are normal grade. ) | |
| Output shaft end | Tap holes provided | |
| Ambient conditions | Installation | Indoors free of dust and water |
| Ambient Temperature | -20℃~40℃ | |
| Ambient Humidity | 85% or less (no condensation) | |
| Altitude | No more than 1,000 m above sea level | |
| Atmosphere | Area must be free of corrosive and explosive gases and steam. | |
| Mounting direction | Mounts on any angle, horizontal, vertical, or inclined. | |
| Paint Color | Munsell 2.5G6/3 | |
Một số model bán chạy:
EW100V50RD, EW100V60RD, EW100V10RUD, EW100V15RUD, EW100V20RUD, EW100V25RUD, EW100V30RUD, EW100V40RUD, EW100V50RUD, EW100V60RUD, EW100V100L-RU, EW100V150L-RU, EW100V200L-RU, EW100V250L-RU, EW100V300L-RU, EW100V400L-RU, EW100V500L-RU, EW100V600L-RU, EW100V800L-RU, EW100V1000L-RU, EW100V1200L-RU, EW100V1500L-RU, EW100V1800L-RU, EW100V2400L-RU, EW100V3000L-RU, EW100V3600L-RU, EW100V100L-RD, EW100V150L-RD, EW100V200L-RD, EW100V250L-RD, EW100V300L-RD, EW100V400L-RD, EW100V500L-RD, EW100V600L-RD, EW100V800L-RD, EW100V1000L-RD, EW100V1200L-RD, EW100V1500L-RD, EW100V1800L-RD, EW100V2400L-RD, EW100V3000L-RD, EW100V3600L-RD, EW100V100L-RUD, EW100V150L-RUD, EW100V200L-RUD, EW100V250L-RUD, EW100V300L-RUD, EW100V400L-RUD, EW100V500L-RUD, EW100V600L-RUD, EW100V800L-RUD, EW100V1000L-RUD, EW100V1200L-RUD, EW100V1500L-RUD, EW100V1800L-RUD, EW100V2400L-RUD, EW100V3000L-RUD, EW100V3600L-RUD, EW100V100R-LU, EW100V150R-LU, EW100V200R-LU, EW100V250R-LU, EW100V300R-LU, EW100V400R-LU, EW100V500R-LU, EW100V600R-LU, EW100V800R-LU, EW100V1000R-LU, EW100V1200R-LU, EW100V1500R-LU, EW100V1800R-LU, EW100V2400R-LU, EW100V3000R-LU, EW100V3600R-LU, EW100V100R-LD, EW100V150R-LD, EW100V200R-LD, EW100V250R-LD, EW100V300R-LD, EW100V400R-LD, EW100V500R-LD, EW100V600R-LD, EW100V800R-LD, EW100V1000R-LD, EW100V1200R-LD, EW100V1500R-LD, EW100V1800R-LD, EW100V2400R-LD, EW100V3000R-LD, EW100V3600R-LD, EW100V100R-LUD, EW100V150R-LUD, EW100V200R-LUD, EW100V250R-LUD, EW100V300R-LUD, EW100V400R-LUD, EW100V500R-LUD, EW100V600R-LUD, EW100V800R-LUD, EW100V1000R-LUD, EW100V1200R-LUD, EW100V1500R-LUD, EW100V1800R-LUD, EW100V2400R-LUD, EW100V3000R-LUD, EW100V3600R-LUD, EW125V10LU, EW125V15LU, EW125V20LU, EW125V25LU, EW125V30LU, EW125V40LU, EW125V50LU, EW125V60LU, EW125V10LD, EW125V15LD, EW125V20LD, EW125V25LD, EW125V30LD, EW125V40LD, EW125V50LD, EW125V60LD, EW125V10LUD, EW125V15LUD, EW125V20LUD, EW125V25LUD, EW125V30LUD, EW125V40LUD, EW125V50LUD, EW125V60LUD, EW125V10RU, EW125V15RU, EW125V20RU, EW125V25RU, EW125V30RU, EW125V40RU, EW125V50RU, EW125V60RU, EW125V10RD, EW125V15RD, EW125V20RD, EW125V25RD, EW125V30RD, EW125V40RD, EW125V50RD, EW125V60RD, EW125V10RUD, EW125V15RUD, EW125V20RUD, EW125V25RUD, EW125V30RUD, EW125V40RUD, EW125V50RUD, EW125V60RUD, EW125V100L-RU, EW125V150L-RU, EW125V200L-RU, EW125V250L-RU, EW125V300L-RU, EW125V400L-RU, EW125V500L-RU, EW125V600L-RU, EW125V800L-RU, EW125V1000L-RU, EW125V1200L-RU, EW125V1500L-RU, EW125V1800L-RU, EW125V2400L-RU, EW125V3000L-RU, EW125V3600L-RU, EW125V100L-RD, EW125V150L-RD, EW125V200L-RD, EW125V250L-RD, EW125V300L-RD, EW125V400L-RD, EW125V500L-RD, EW125V600L-RD, EW125V800L-RD, EW125V1000L-RD, EW125V1200L-RD, EW125V1500L-RD, EW125V1800L-RD, EW125V2400L-RD, EW125V3000L-RD, EW125V3600L-RD, EW125V100L-RUD, EW125V150L-RUD, EW125V200L-RUD, EW125V250L-RUD, EW125V300L-RUD, EW125V400L-RUD, EW125V500L-RUD, EW125V600L-RUD, EW125V800L-RUD, EW125V1000L-RUD, EW125V1200L-RUD, EW125V1500L-RUD, EW125V1800L-RUD, EW125V2400L-RUD, EW125V3000L-RUD, EW125V3600L-RUD, EW125V100R-LU, EW125V150R-LU, EW125V200R-LU, EW125V250R-LU, EW125V300R-LU, EW125V400R-LU, EW125V500R-LU, EW125V600R-LU, EW125V800R-LU, EW125V1000R-LU, EW125V1200R-LU, EW125V1500R-LU, EW125V1800R-LU, EW125V2400R-LU, EW125V3000R-LU, EW125V3600R-LU, EW125V100R-LD, EW125V150R-LD, EW125V200R-LD, EW125V250R-LD, EW125V300R-LD, EW125V400R-LD, EW125V500R-LD, EW125V600R-LD, EW125V800R-LD, EW125V1000R-LD, EW125V1200R-LD, EW125V1500R-LD, EW125V1800R-LD, EW125V2400R-LD, EW125V3000R-LD, EW125V3600R-LD, EW125V100R-LUD, EW125V150R-LUD, EW125V200R-LUD, EW125V250R-LUD, EW125V300R-LUD, EW125V400R-LUD, EW125V500R-LUD, EW125V600R-LUD, EW125V800R-LUD, EW125V1000R-LUD, EW125V1200R-LUD, EW125V1500R-LUD, EW125V1800R-LUD, EW125V2400R-LUD, EW125V3000R-LUD, EW125V3600R-LUD, EW150V10LU, EW150V15LU, EW150V20LU, EW150V25LU, EW150V30LU, EW150V40LU, EW150V50LU, EW150V60LU, EW150V10LD, EW150V15LD, EW150V20LD, EW150V25LD, EW150V30LD, EW150V40LD, EW150V50LD, EW150V60LD, EW150V10LUD, EW150V15LUD, EW150V20LUD, EW150V25LUD, EW150V30LUD, EW150V40LUD, EW150V50LUD, EW150V60LUD, EW150V10RU, EW150V15RU, EW150V20RU, EW150V25RU, EW150V30RU, EW150V40RU, EW150V50RU, EW150V60RU, EW150V10RD, EW150V15RD, EW150V20RD, EW150V25RD, EW150V30RD, EW150V40RD, EW150V50RD, EW150V60RD, EW150V10RUD, EW150V15RUD, EW150V20RUD, EW150V25RUD, EW150V30RUD, EW150V40RUD, EW150V50RUD, EW150V60RUD, EW150V100L-RU, EW150V150L-RU, EW150V200L-RU, EW150V250L-RU, EW150V300L-RU, EW150V400L-RU, EW150V500L-RU, EW150V600L-RU, EW150V800L-RU, EW150V1000L-RU, EW150V1200L-RU, EW150V1500L-RU, EW150V1800L-RU, EW150V2400L-RU, EW150V3000L-RU, EW150V3600L-RU, EW150V100L-RD, EW150V150L-RD, EW150V200L-RD, EW150V250L-RD, EW150V300L-RD, EW150V400L-RD, EW150V500L-RD, EW150V600L-RD, EW150V800L-RD, EW150V1000L-RD, EW150V1200L-RD, EW150V1500L-RD, EW150V1800L-RD, EW150V2400L-RD, EW150V3000L-RD, EW150V3600L-RD, EW150V100L-RUD, EW150V150L-RUD, EW150V200L-RUD, EW150V250L-RUD, EW150V300L-RUD, EW150V400L-RUD, EW150V500L-RUD, EW150V600L-RUD, EW150V800L-RUD, EW150V1000L-RUD, EW150V1200L-RUD, EW150V1500L-RUD, EW150V1800L-RUD, EW150V2400L-RUD, EW150V3000L-RUD, EW150V3600L-RUD, EW150V100R-LU, EW150V150R-LU, EW150V200R-LU, EW150V250R-LU, EW150V300R-LU, EW150V400R-LU, EW150V500R-LU, EW150V600R-LU, EW150V800R-LU, EW150V1000R-LU, EW150V1200R-LU, EW150V1500R-LU, EW150V1800R-LU, EW150V2400R-LU, EW150V3000R-LU, EW150V3600R-LU, EW150V100R-LD, EW150V150R-LD, EW150V200R-LD, EW150V250R-LD, EW150V300R-LD, EW150V400R-LD, EW150V500R-LD, EW150V600R-LD, EW150V800R-LD, EW150V1000R-LD, EW150V1200R-LD, EW150V1500R-LD, EW150V1800R-LD, EW150V2400R-LD, EW150V3000R-LD, EW150V3600R-LD, EW150V100R-LUD, EW150V150R-LUD, EW150V200R-LUD, EW150V250R-LUD, EW150V300R-LUD, EW150V400R-LUD, EW150V500R-LUD, EW150V600R-LUD, EW150V800R-LUD, EW150V1000R-LUD, EW150V1200R-LUD, EW150V1500R-LUD, EW150V1800R-LUD, EW150V2400R-LUD, EW150V3000R-LUD, EW150V3600R-LUD, EW175V10LU, EW175V15LU, EW175V20LU, EW175V25LU, EW175V30LU, EW175V40LU, EW175V50LU, EW175V60LU, EW175V10LD, EW175V15LD, EW175V20LD, EW175V25LD, EW175V30LD, EW175V40LD, EW175V50LD, EW175V60LD, EW175V10LUD, EW175V15LUD, EW175V20LUD, EW175V25LUD, EW175V30LUD, EW175V40LUD, EW175V50LUD, EW175V60LUD, EW175V10RU, EW175V15RU, EW175V20RU, EW175V25RU, EW175V30RU, EW175V40RU, EW175V50RU, EW175V60RU, EW175V10RD, EW175V15RD, EW175V20RD, EW175V25RD, EW175V30RD, EW175V40RD, EW175V50RD, EW175V60RD, EW175V10RUD, EW175V15RUD, EW175V20RUD, EW175V25RUD, EW175V30RUD, EW175V40RUD, EW175V50RUD, EW175V60RUD, EW175V100L-RU, EW175V150L-RU, EW175V200L-RU, EW175V250L-RU, EW175V300L-RU, EW175V400L-RU, EW175V500L-RU, EW175V600L-RU, EW175V800L-RU, EW175V1000L-RU, EW175V1200L-RU, EW175V1500L-RU, EW175V1800L-RU, EW175V2400L-RU, EW175V3000L-RU, EW175V3600L-RU, EW175V100L-RD, EW175V150L-RD, EW175V200L-RD, EW175V250L-RD, EW175V300L-RD, EW175V400L-RD, EW175V500L-RD, EW175V600L-RD, EW175V800L-RD, EW175V1000L-RD, EW175V1200L-RD, EW175V1500L-RD, EW175V1800L-RD, EW175V2400L-RD, EW175V3000L-RD, EW175V3600L-RD, EW175V100L-RUD, EW175V150L-RUD, EW175V200L-RUD, EW175V250L-RUD, EW175V300L-RUD, EW175V400L-RUD, EW175V500L-RUD, EW175V600L-RUD, EW175V800L-RUD, EW175V1000L-RUD, EW175V1200L-RUD, EW175V1500L-RUD, EW175V1800L-RUD, EW175V2400L-RUD, EW175V3000L-RUD, EW175V3600L-RUD, EW175V100R-LU, EW175V150R-LU, EW175V200R-LU, EW175V250R-LU, EW175V300R-LU, EW175V400R-LU, EW175V500R-LU, EW175V600R-LU, EW175V800R-LU, EW175V1000R-LU, EW175V1200R-LU, EW175V1500R-LU, EW175V1800R-LU, EW175V2400R-LU, EW175V3000R-LU, EW175V3600R-LU, EW175V100R-LD, EW175V150R-LD, EW175V200R-LD, EW175V250R-LD, EW175V300R-LD, EW175V400R-LD, EW175V500R-LD, EW175V600R-LD, EW175V800R-LD, EW175V1000R-LD, EW175V1200R-LD, EW175V1500R-LD, EW175V1800R-LD, EW175V2400R-LD, EW175V3000R-LD, EW175V3600R-LD, EW175V100R-LUD, EW175V150R-LUD, EW175V200R-LUD, EW175V250R-LUD, EW175V300R-LUD, EW175V400R-LUD, EW175V500R-LUD, EW175V600R-LUD, EW175V800R-LUD, EW175V1000R-LUD, EW175V1200R-LUD, EW175V1500R-LUD, EW175V1800R-LUD, EW175V2400R-LUD, EW175V3000R-LUD, EW175V3600R-LUD, EW200V10LU, EW200V15LU, EW200V20LU, EW200V25LU, EW200V30LU, EW200V40LU, EW200V50LU, EW200V60LU, EW200V10LD, EW200V15LD, EW200V20LD, EW200V25LD, EW200V30LD, EW200V40LD, EW200V50LD, EW200V60LD, EW200V10LUD, EW200V15LUD, EW200V20LUD, EW200V25LUD, EW200V30LUD, EW200V40LUD, EW200V50LUD, EW200V60LUD, EW200V10RU, EW200V15RU, EW200V20RU, EW200V25RU, EW200V30RU, EW200V40RU, EW200V50RU, EW200V60RU, EW200V10RD, EW200V15RD, EW200V20RD, EW200V25RD, EW200V30RD, EW200V40RD, EW200V50RD, EW200V60RD, EW200V10RUD, EW200V15RUD, EW200V20RUD, EW200V25RUD, EW200V30RUD, EW200V40RUD, EW200V50RUD, EW200V60RUD, EW200V100L-RU, EW200V150L-RU, EW200V200L-RU, EW200V250L-RU, EW200V300L-RU, EW200V400L-RU, EW200V500L-RU, EW200V600L-RU, EW200V800L-RU, EW200V1000L-RU, EW200V1200L-RU, EW200V1500L-RU, EW200V1800L-RU, EW200V2400L-RU, EW200V3000L-RU, EW200V3600L-RU, EW200V100L-RD, EW200V150L-RD, EW200V200L-RD, EW200V250L-RD, EW200V300L-RD, EW200V400L-RD, EW200V500L-RD, EW200V600L-RD, EW200V800L-RD, EW200V1000L-RD, EW200V1200L-RD, EW200V1500L-RD, EW200V1800L-RD, EW200V2400L-RD, EW200V3000L-RD, EW200V3600L-RD, EW200V100L-RUD, EW200V150L-RUD, EW200V200L-RUD, EW200V250L-RUD, EW200V300L-RUD, EW200V400L-RUD, EW200V500L-RUD, EW200V600L-RUD, EW200V800L-RUD, EW200V1000L-RUD, EW200V1200L-RUD, EW200V1500L-RUD, EW200V1800L-RUD, EW200V2400L-RUD, EW200V3000L-RUD, EW200V3600L-RUD, EW200V100R-LU, EW200V150R-LU, EW200V200R-LU, EW200V250R-LU, EW200V300R-LU, EW200V400R-LU, EW200V500R-LU, EW200V600R-LU, EW200V800R-LU, EW200V1000R-LU, EW200V1200R-LU, EW200V1500R-LU, EW200V1800R-LU, EW200V2400R-LU, EW200V3000R-LU, EW200V3600R-LU, EW200V100R-LD, EW200V150R-LD, EW200V200R-LD, EW200V250R-LD, EW200V300R-LD, EW200V400R-LD, EW200V500R-LD, EW200V600R-LD, EW200V800R-LD, EW200V1000R-LD, EW200V1200R-LD, EW200V1500R-LD, EW200V1800R-LD, EW200V2400R-LD, EW200V3000R-LD, EW200V3600R-LD, EW200V100R-LUD, EW200V150R-LUD, EW200V200R-LUD, EW200V250R-LUD, EW200V300R-LUD, EW200V400R-LUD, EW200V500R-LUD, EW200V600R-LUD, EW200V800R-LUD, EW200V1000R-LUD, EW200V1200R-LUD, EW200V1500R-LUD, EW200V1800R-LUD, EW200V2400R-LUD, EW200V3000R-LUD, EW200V3600R-LUD, EWJ25E10L, EWJ25E15L, EWJ25E20L, EWJ25E25L, EWJ25E30L, EWJ25E40L, EWJ25E50L, EWJ25E60L, EWJ25E10LR, EWJ25E15LR, EWJ25E20LR, EWJ25E25LR, EWJ25E30LR, EWJ25E40LR, EWJ25E50LR, EWJ25E60LR, EWJ25E10R, EWJ25E15R, EWJ25E20R, EWJ25E25R, EWJ25E30R, EWJ25E40R, EWJ25E50R, EWJ25E60R, EWJ35E10L, EWJ35E15L, EWJ35E20L, EWJ35E25L, EWJ35E30L, EWJ35E40L, EWJ35E50L, EWJ35E60L, EWJ35E10LR, EWJ35E15LR, EWJ35E20LR, EWJ35E25LR, EWJ35E30LR, EWJ35E40LR, EWJ35E50LR, EWJ35E60LR, EWJ35E10R, EWJ35E15R, EWJ35E20R, EWJ35E25R, EWJ35E30R, EWJ35E40R, EWJ35E50R, EWJ35E60R, EWJ42E10L, EWJ42E15L, EWJ42E20L, EWJ42E25L, EWJ42E30L, EWJ42E40L, EWJ42E50L, EWJ42E60L, EWJ42E10LR, EWJ42E15LR, EWJ42E20LR, EWJ42E25LR, EWJ42E30LR, EWJ42E40LR, EWJ42E50LR, EWJ42E60LR, EWJ42E10R, EWJ42E15R, EWJ42E20R, EWJ42E25R, EWJ42E30R, EWJ42E40R, EWJ42E50R, EWJ42E60R, EWJ50E10L, EWJ50E15L, EWJ50E20L, EWJ50E25L, EWJ50E30L, EWJ50E40L, EWJ50E50L, EWJ50E60L, EWJ50E10LR, EWJ50E15LR, EWJ50E20LR, EWJ50E25LR, EWJ50E30LR, EWJ50E40LR, EWJ50E50LR, EWJ50E60LR, EWJ50E10R, EWJ50E15R, EWJ50E20R, EWJ50E25R, EWJ50E30R, EWJ50E40R, EWJ50E50R, EWJ50E60R, EWJ50V10LD, EWJ50V15LD, EWJ50V20LD, EWJ50V25LD, EWJ50V30LD, EWJ50V40LD, EWJ50V50LD, EWJ50V60LD, EWJ50V10LU, EWJ50V15LU, EWJ50V20LU, EWJ50V25LU, EWJ50V30LU, EWJ50V40LU, EWJ50V50LU, EWJ50V60LU, EWJ50V10LUD, EWJ50V15LUD, EWJ50V20LUD, EWJ50V25LUD, EWJ50V30LUD, EWJ50V40LUD, EWJ50V50LUD, EWJ50V60LUD, EWJ50V10RD, EWJ50V15RD, EWJ50V20RD, EWJ50V25RD, EWJ50V30RD, EWJ50V40RD, EWJ50V50RD, EWJ50V60RD, EWJ50V10RU, EWJ50V15RU, EWJ50V20RU, EWJ50V25RU, EWJ50V30RU, EWJ50V40RU, EWJ50V50RU, EWJ50V60RU, EWJ50V10RUD, EWJ50V15RUD, EWJ50V20RUD, EWJ50V25RUD, EWJ50V30RUD, EWJ50V40RUD, EWJ50V50RUD, EWJ50V60RUD, EWJ63E10L, EWJ63E15L, EWJ63E20L, EWJ63E25L, EWJ63E30L, EWJ63E40L, EWJ63E50L, EWJ63E60L, EWJ63E10LR, EWJ63E15LR, EWJ63E20LR, EWJ63E25LR, EWJ63E30LR, EWJ63E40LR, EWJ63E50LR, EWJ63E60LR, EWJ63E10R, EWJ63E15R, EWJ63E20R, EWJ63E25R, EWJ63E30R, EWJ63E40R, EWJ63E50R, EWJ63E60R, EWJ63V10LD, EWJ63V15LD, EWJ63V20LD, EWJ63V25LD, EWJ63V30LD, EWJ63V40LD, EWJ63V50LD, EWJ63V60LD, EWJ63V10LU, EWJ63V15LU, EWJ63V20LU, EWJ63V25LU, EWJ63V30LU, EWJ63V40LU, EWJ63V50LU, EWJ63V60LU, EWJ63V10LUD, EWJ63V15LUD, EWJ63V20LUD, EWJ63V25LUD, EWJ63V30LUD, EWJ63V40LUD, EWJ63V50LUD, EWJ63V60LUD, EWJ63V10RD, EWJ63V15RD, EWJ63V20RD, EWJ63V25RD, EWJ63V30RD, EWJ63V40RD, EWJ63V50RD, EWJ63V60RD, EWJ63V10RU, EWJ63V15RU, EWJ63V20RU, EWJ63V25RU, EWJ63V30RU, EWJ63V40RU, EWJ63V50RU, EWJ63V60RU, EWJ63V10RUD, EWJ63V15RUD, EWJ63V20RUD, EWJ63V25RUD, EWJ63V30RUD, EWJ63V40RUD, EWJ63V50RUD, EWJ63V60RUD, EWJ70E10L, EWJ70E15L, EWJ70E20L, EWJ70E10LR, EWJ70E15LR, EWJ70E20LR, EWJ70E10R, EWJ70E15R, EWJ70E20R, EWJ70E25L, EWJ70E30L, EWJ70E40L, EWJ70E50L, EWJ70E60L, EWJ70E25LR, EWJ70E30LR, EWJ70E40LR, EWJ70E50LR, EWJ70E60LR, EWJ70E25R, EWJ70E30R, EWJ70E40R, EWJ70E50R, EWJ70E60R, EWJ70V10LD, EWJ70V15LD, EWJ70V20LD, EWJ70V25LD, EWJ70V30LD, EWJ70V40LD, EWJ70V50LD, EWJ70V60LD, EWJ70V10LU, EWJ70V15LU, EWJ70V20LU, EWJ70V25LU, EWJ70V30LU, EWJ70V40LU, EWJ70V50LU, EWJ70V60LU, EWJ70V10LUD, EWJ70V15LUD, EWJ70V20LUD, EWJ70V25LUD, EWJ70V30LUD, EWJ70V40LUD, EWJ70V50LUD, EWJ70V60LUD, EWJ70V10RD, EWJ70V15RD, EWJ70V20RD, EWJ70V25RD, EWJ70V30RD, EWJ70V40RD, EWJ70V50RD, EWJ70V60RD, EWJ70V10RU, EWJ70V15RU, EWJ70V20RU, EWJ70V25RU, EWJ70V30RU, EWJ70V40RU, EWJ70V50RU, EWJ70V60RU, EWJ70V10RUD, EWJ70V15RUD, EWJ70V20RUD, EWJ70V25RUD, EWJ70V30RUD, EWJ70V40RUD, EWJ70V50RUD, EWJ70V60RUD, EWJ50T100L-LR, EWJ50T150L-LR, EWJ50T200L-LR, EWJ50T250L-LR, EWJ50T300L-LR, EWJ50T400L-LR, EWJ50T500L-LR, EWJ50T600L-LR, EWJ50T800L-LR, EWJ50T1000L-LR, EWJ50T1200L-LR, EWJ50T1500L-LR, EWJ50T1800L-LR, EWJ50T2400L-LR, EWJ50T3000L-LR, EWJ50T3600L-LR, EWJ50T100L-R, EWJ50T150L-R, EWJ50T200L-R, EWJ50T250L-R, EWJ50T300L-R, EWJ50T400L-R, EWJ50T500L-R, EWJ50T600L-R, EWJ50T800L-R, EWJ50T1000L-R, EWJ50T1200L-R, EWJ50T1500L-R, EWJ50T1800L-R, EWJ50T2400L-R, EWJ50T3000L-R, EWJ50T3600L-R, EWJ50T100R-L, EWJ50T150R-L, EWJ50T200R-L, EWJ50T250R-L, EWJ50T300R-L, EWJ50T400R-L, EWJ50T500R-L, EWJ50T600R-L, EWJ50T800R-L, EWJ50T1000R-L, EWJ50T1200R-L, EWJ50T1500R-L, EWJ50T1800R-L, EWJ50T2400R-L, EWJ50T3000R-L, EWJ50T3600R-L, EWJ50T100R-LR, EWJ50T150R-LR, EWJ50T200R-LR, EWJ50T250R-LR, EWJ50T300R-LR, EWJ50T400R-LR, EWJ50T500R-LR, EWJ50T600R-LR, EWJ50T800R-LR, EWJ50T1000R-LR, EWJ50T1200R-LR, EWJ50T1500R-LR, EWJ50T1800R-LR, EWJ50T2400R-LR, EWJ50T3000R-LR, EWJ50T3600R-LR, EWJ50V100L-RD, EWJ50V150L-RD, EWJ50V200L-RD, EWJ50V250L-RD, EWJ50V300L-RD, EWJ50V400L-RD, EWJ50V500L-RD, EWJ50V600L-RD, EWJ50V800L-RD, EWJ50V1000L-RD, EWJ50V1200L-RD, EWJ50V1500L-RD, EWJ50V1800L-RD, EWJ50V2400L-RD, EWJ50V3000L-RD, EWJ50V3600L-RD, EWJ50V100L-RU, EWJ50V150L-RU, EWJ50V200L-RU, EWJ50V250L-RU, EWJ50V300L-RU, EWJ50V400L-RU, EWJ50V500L-RU, EWJ50V600L-RU, EWJ50V800L-RU, EWJ50V1000L-RU, EWJ50V1200L-RU, EWJ50V1500L-RU, EWJ50V1800L-RU, EWJ50V2400L-RU, EWJ50V3000L-RU, EWJ50V3600L-RU, EWJ50V100L-RUD, EWJ50V150L-RUD, EWJ50V200L-RUD, EWJ50V250L-RUD, EWJ50V300L-RUD, EWJ50V400L-RUD, EWJ50V500L-RUD, EWJ50V600L-RUD, EWJ50V800L-RUD, EWJ50V1000L-RUD, EWJ50V1200L-RUD, EWJ50V1500L-RUD, EWJ50V1800L-RUD, EWJ50V2400L-RUD, EWJ50V3000L-RUD, EWJ50V3600L-RUD, EWJ50V100R-LD, EWJ50V150R-LD, EWJ50V200R-LD, EWJ50V250R-LD, EWJ50V300R-LD, EWJ50V400R-LD, EWJ50V500R-LD, EWJ50V600R-LD, EWJ50V800R-LD, EWJ50V1000R-LD, EWJ50V1200R-LD, EWJ50V1500R-LD, EWJ50V1800R-LD, EWJ50V2400R-LD, EWJ50V3000R-LD, EWJ50V3600R-LD, EWJ50V100R-LU, EWJ50V150R-LU, EWJ50V200R-LU, EWJ50V250R-LU, EWJ50V300R-LU, EWJ50V400R-LU, EWJ50V500R-LU, EWJ50V600R-LU, EWJ50V800R-LU, EWJ50V1000R-LU, EWJ50V1200R-LU, EWJ50V1500R-LU, EWJ50V1800R-LU, EWJ50V2400R-LU, EWJ50V3000R-LU, EWJ50V3600R-LU, EWJ50V100R-LUD, EWJ50V150R-LUD, EWJ50V200R-LUD, EWJ50V250R-LUD, EWJ50V300R-LUD, EWJ50V400R-LUD, EWJ50V500R-LUD, EWJ50V600R-LUD, EWJ50V800R-LUD, EWJ50V1000R-LUD, EWJ50V1200R-LUD, EWJ50V1500R-LUD, EWJ50V1800R-LUD, EWJ50V2400R-LUD, EWJ50V3000R-LUD, EWJ50V3600R-LUD, EWJ63T100L-LR, EWJ63T150L-LR, EWJ63T200L-LR, EWJ63T250L-LR, EWJ63T300L-LR, EWJ63T400L-LR, EWJ63T500L-LR, EWJ63T600L-LR, EWJ63T800L-LR, EWJ63T1000L-LR, EWJ63T1200L-LR, EWJ63T1500L-LR, EWJ63T1800L-LR, EWJ63T2400L-LR, EWJ63T3000L-LR, EWJ63T3600L-LR, EWJ63T100L-R, EWJ63T150L-R, EWJ63T200L-R, EWJ63T250L-R, EWJ63T300L-R, EWJ63T400L-R, EWJ63T500L-R, EWJ63T600L-R, EWJ63T800L-R, EWJ63T1000L-R, EWJ63T1200L-R, EWJ63T1500L-R, EWJ63T1800L-R, EWJ63T2400L-R, EWJ63T3000L-R, EWJ63T3600L-R, EWJ63T100R-L, EWJ63T150R-L, EWJ63T200R-L, EWJ63T250R-L, EWJ63T300R-L, EWJ63T400R-L, EWJ63T500R-L, EWJ63T600R-L, EWJ63T800R-L, EWJ63T1000R-L, EWJ63T1200R-L, EWJ63T1500R-L, EWJ63T1800R-L, EWJ63T2400R-L, EWJ63T3000R-L, EWJ63T3600R-L, EWJ63T100R-LR, EWJ63T150R-LR, EWJ63T200R-LR, EWJ63T250R-LR, EWJ63T300R-LR, EWJ63T400R-LR, EWJ63T500R-LR, EWJ63T600R-LR, EWJ63T800R-LR, EWJ63T1000R-LR, EWJ63T1200R-LR, EWJ63T1500R-LR, EWJ63T1800R-LR, EWJ63T2400R-LR, EWJ63T3000R-LR, EWJ63T3600R-LR, EWJ63V100L-RD, EWJ63V150L-RD, EWJ63V200L-RD, EWJ63V250L-RD, EWJ63V300L-RD, EWJ63V400L-RD, EWJ63V500L-RD, EWJ63V600L-RD, EWJ63V800L-RD, EWJ63V1000L-RD, EWJ63V1200L-RD, EWJ63V1500L-RD, EWJ63V1800L-RD, EWJ63V2400L-RD, EWJ63V3000L-RD, EWJ63V3600L-RD, EWJ63V100L-RU, EWJ63V150L-RU, EWJ63V200L-RU, EWJ63V250L-RU, EWJ63V300L-RU, EWJ63V400L-RU, EWJ63V500L-RU, EWJ63V600L-RU, EWJ63V800L-RU, EWJ63V1000L-RU, EWJ63V1200L-RU, EWJ63V1500L-RU, EWJ63V1800L-RU, EWJ63V2400L-RU, EWJ63V3000L-RU, EWJ63V3600L-RU, EWJ63V100L-RUD, EWJ63V150L-RUD, EWJ63V200L-RUD, EWJ63V250L-RUD, EWJ63V300L-RUD, EWJ63V400L-RUD, EWJ63V500L-RUD, EWJ63V600L-RUD, EWJ63V800L-RUD, EWJ63V1000L-RUD, EWJ63V1200L-RUD, EWJ63V1500L-RUD, EWJ63V1800L-RUD, EWJ63V2400L-RUD, EWJ63V3000L-RUD, EWJ63V3600L-RUD, EWJ63V100R-LD, EWJ63V150R-LD, EWJ63V200R-LD, EWJ63V250R-LD, EWJ63V300R-LD, EWJ63V400R-LD, EWJ63V500R-LD, EWJ63V600R-LD, EWJ63V800R-LD, EWJ63V1000R-LD, EWJ63V1200R-LD, EWJ63V1500R-LD, EWJ63V1800R-LD, EWJ63V2400R-LD, EWJ63V3000R-LD, EWJ63V3600R-LD, EWJ63V100R-LU, EWJ63V150R-LU, EWJ63V200R-LU, EWJ63V250R-LU, EWJ63V300R-LU, EWJ63V400R-LU, EWJ63V500R-LU, EWJ63V600R-LU, EWJ63V800R-LU, EWJ63V1000R-LU, EWJ63V1200R-LU, EWJ63V1500R-LU, EWJ63V1800R-LU, EWJ63V2400R-LU, EWJ63V3000R-LU, EWJ63V3600R-LU, EWJ63V100R-LUD, EWJ63V150R-LUD, EWJ63V200R-LUD, EWJ63V250R-LUD, EWJ63V300R-LUD, EWJ63V400R-LUD, EWJ63V500R-LUD, EWJ63V600R-LUD, EWJ63V800R-LUD, EWJ63V1000R-LUD, EWJ63V1200R-LUD, EWJ63V1500R-LUD, EWJ63V1800R-LUD, EWJ63V2400R-LUD, EWJ63V3000R-LUD, EWJ63V3600R-LUD, EWJ70B100L-LR, EWJ70B150L-LR, EWJ70B200L-LR, EWJ70B250L-LR, EWJ70B300L-LR, EWJ70B400L-LR, EWJ70B500L-LR, EWJ70B600L-LR, EWJ70B800L-LR, EWJ70B1000L-LR, EWJ70B1200L-LR, EWJ70B1500L-LR, EWJ70B1800L-LR, EWJ70B2400L-LR, EWJ70B3000L-LR, EWJ70B3600L-LR, EWJ70B100L-R, EWJ70B150L-R, EWJ70B200L-R, EWJ70B250L-R, EWJ70B300L-R, EWJ70B400L-R, EWJ70B500L-R, EWJ70B600L-R, EWJ70B800L-R, EWJ70B1000L-R, EWJ70B1200L-R, EWJ70B1500L-R, EWJ70B1800L-R, EWJ70B2400L-R, EWJ70B3000L-R, EWJ70B3600L-R, EWJ70B100R-L, EWJ70B150R-L, EWJ70B200R-L, EWJ70B250R-L, EWJ70B300R-L, EWJ70B400R-L, EWJ70B500R-L, EWJ70B600R-L, EWJ70B800R-L, EWJ70B1000R-L, EWJ70B1200R-L, EWJ70B1500R-L, EWJ70B1800R-L, EWJ70B2400R-L, EWJ70B3000R-L, EWJ70B3600R-L, EWJ70B100R-LR, EWJ70B150R-LR, EWJ70B200R-LR, EWJ70B250R-LR, EWJ70B300R-LR, EWJ70B400R-LR, EWJ70B500R-LR, EWJ70B600R-LR, EWJ70B800R-LR, EWJ70B1000R-LR, EWJ70B1200R-LR, EWJ70B1500R-LR, EWJ70B1800R-LR, EWJ70B2400R-LR, EWJ70B3000R-LR, EWJ70B3600R-LR, EWJ70V100L-RD, EWJ70V150L-RD, EWJ70V200L-RD, EWJ70V250L-RD, EWJ70V300L-RD, EWJ70V400L-RD, EWJ70V500L-RD, EWJ70V600L-RD, EWJ70V800L-RD, EWJ70V1000L-RD, EWJ70V1200L-RD, EWJ70V1500L-RD, EWJ70V1800L-RD, EWJ70V2400L-RD, EWJ70V3000L-RD, EWJ70V3600L-RD, EWJ70V100L-RU, EWJ70V150L-RU, EWJ70V200L-RU, EWJ70V250L-RU, EWJ70V300L-RU, EWJ70V400L-RU, EWJ70V500L-RU, EWJ70V600L-RU, EWJ70V800L-RU, EWJ70V1000L-RU, EWJ70V1200L-RU, EWJ70V1500L-RU, EWJ70V1800L-RU, EWJ70V2400L-RU, EWJ70V3000L-RU, EWJ70V3600L-RU, EWJ70V100L-RUD, EWJ70V150L-RUD, EWJ70V200L-RUD, EWJ70V250L-RUD, EWJ70V300L-RUD, EWJ70V400L-RUD, EWJ70V500L-RUD, EWJ70V600L-RUD, EWJ70V800L-RUD, EWJ70V1000L-RUD, EWJ70V1200L-RUD, EWJ70V1500L-RUD, EWJ70V1800L-RUD, EWJ70V2400L-RUD, EWJ70V3000L-RUD, EWJ70V3600L-RUD, EWJ70V100R-LD, EWJ70V150R-LD, EWJ70V200R-LD, EWJ70V250R-LD, EWJ70V300R-LD, EWJ70V400R-LD, EWJ70V500R-LD, EWJ70V600R-LD, EWJ70V800R-LD, EWJ70V1000R-LD, EWJ70V1200R-LD, EWJ70V1500R-LD, EWJ70V1800R-LD, EWJ70V2400R-LD, EWJ70V3000R-LD, EWJ70V3600R-LD, EWJ70V100R-LU, EWJ70V150R-LU, EWJ70V200R-LU, EWJ70V250R-LU, EWJ70V300R-LU, EWJ70V400R-LU, EWJ70V500R-LU, EWJ70V600R-LU, EWJ70V800R-LU, EWJ70V1000R-LU, EWJ70V1200R-LU, EWJ70V1500R-LU, EWJ70V1800R-LU, EWJ70V2400R-LU, EWJ70V3000R-LU, EWJ70V3600R-LU, EWJ70V100R-LUD, EWJ70V150R-LUD, EWJ70V200R-LUD, EWJ70V250R-LUD, EWJ70V300R-LUD, EWJ70V400R-LUD, EWJ70V500R-LUD, EWJ70V600R-LUD, EWJ70V800R-LUD, EWJ70V1000R-LUD, EWJ70V1200R-LUD, EWJ70V1500R-LUD, EWJ70V1800R-LUD, EWJ70V2400R-LUD, EWJ70V3000R-LUD, EWJ70V3600R-LUD, SW80T10LF, SW80T15LF, SW80T20LF, SW80T25LF, SW80T30LF, SW80T40LF, SW80T50LF, SW80T60LF, SW80T10RF, SW80T15RF, SW80T20RF, SW80T25RF, SW80T30RF, SW80T40RF, SW80T50RF, SW80T60RF, SW100T10LF, SW100T15LF, SW100T20LF, SW100T25LF, SW100T30LF, SW100T40LF, SW100T50LF, SW100T60LF, SW100T10RF, SW100T15RF, SW100T20RF, SW100T25RF, SW100T30RF, SW100T40RF, SW100T50RF, SW100T60RF, SW125T10LF, SW125T15LF, SW125T20LF, SW125T25LF, SW125T30LF, SW125T40LF, SW125T50LF, SW125T60LF, SW125T10RF, SW125T15RF, SW125T20RF, SW125T25RF, SW125T30RF, SW125T40RF, SW125T50RF, SW125T60RF, SW150T10LF, SW150T15LF, SW150T20LF, SW150T25LF, SW150T30LF, SW150T40LF, SW150T50LF, SW150T60LF, SW150T10RF, SW150T15RF, SW150T20RF, SW150T25RF, SW150T30RF, SW150T40RF, SW150T50RF, SW150T60RF, SW175T10LF, SW175T15LF, SW175T20LF, SW175T25LF, SW175T30LF, SW175T40LF, SW175T50LF, SW175T60LF, SW175T10RF, SW175T15RF, SW175T20RF, SW175T25RF, SW175T30RF, SW175T40RF, SW175T50RF, SW175T60RF, SW200T10LF, SW200T15LF, SW200T20LF, SW200T25LF, SW200T30LF, SW200T40LF, SW200T50LF, SW200T60LF, SW200T10RF, SW200T15RF, SW200T20RF, SW200T25RF, SW200T30RF, SW200T40RF, SW200T50RF, SW200T60RF, SW80B10LF, SW80B15LF, SW80B20LF, SW80B25LF, SW80B30LF, SW80B40LF, SW80B50LF, SW80B60LF, SW80B100L-RF, SW80B150L-RF, SW80B200L-RF, SW80B250L-RF, SW80B300L-RF, SW80B400L-RF, SW80B500L-RF, SW80B600L-RF, SW80B800L-RF, SW80B1000L-RF, SW80B1200L-RF, SW80B1500L-RF, SW80B1800L-RF, SW80B2400L-RF, SW80B3000L-RF, SW80B3600L-RF, SW80B10RF, SW80B15RF, SW80B20RF, SW80B25RF, SW80B30RF, SW80B40RF, SW80B50RF, SW80B60RF, SW80B100R-LF, SW80B150R-LF, SW80B200R-LF, SW80B250R-LF, SW80B300R-LF, SW80B400R-LF, SW80B500R-LF, SW80B600R-LF, SW80B800R-LF, SW80B1000R-LF, SW80B1200R-LF, SW80B1500R-LF, SW80B1800R-LF, SW80B2400R-LF, SW80B3000R-LF, SW80B3600R-LF, SW100B10LF, SW100B15LF, SW100B20LF, SW100B25LF, SW100B30LF, SW100B40LF, SW100B50LF, SW100B60LF, SW100B100L-RF, SW100B150L-RF, SW100B200L-RF, SW100B250L-RF, SW100B300L-RF, SW100B400L-RF, SW100B500L-RF, SW100B600L-RF, SW100B800L-RF, SW100B1000L-RF, SW100B1200L-RF, SW100B1500L-RF, SW100B1800L-RF, SW100B2400L-RF, SW100B3000L-RF, SW100B3600L-RF, SW100B10RF, SW100B15RF, SW100B20RF, SW100B25RF, SW100B30RF, SW100B40RF, SW100B50RF, SW100B60RF, SW100B100R-LF, SW100B150R-LF, SW100B200R-LF, SW100B250R-LF, SW100B300R-LF, SW100B400R-LF, SW100B500R-LF, SW100B600R-LF, SW100B800R-LF, SW100B1000R-LF, SW100B1200R-LF, SW100B1500R-LF, SW100B1800R-LF, SW100B2400R-LF, SW100B3000R-LF, SW100B3600R-LF, SW125B10LF, SW125B15LF, SW125B20LF, SW125B25LF, SW125B30LF, SW125B40LF, SW125B50LF, SW125B60LF, SW125B100L-RF, SW125B150L-RF, SW125B200L-RF, SW125B250L-RF, SW125B300L-RF, SW125B400L-RF, SW125B500L-RF, SW125B600L-RF, SW125B800L-RF, SW125B1000L-RF, SW125B1200L-RF, SW125B1500L-RF, SW125B1800L-RF, SW125B2400L-RF, SW125B3000L-RF, SW125B3600L-RF, SW125B10RF, SW125B15RF, SW125B20RF, SW125B25RF, SW125B30RF, SW125B40RF, SW125B50RF, SW125B60RF, SW125B100R-LF, SW125B150R-LF, SW125B200R-LF, SW125B250R-LF, SW125B300R-LF, SW125B400R-LF, SW125B500R-LF, SW125B600R-LF, SW125B800R-LF, SW125B1000R-LF, SW125B1200R-LF, SW125B1500R-LF, SW125B1800R-LF, SW125B2400R-LF, SW125B3000R-LF, SW125B3600R-LF, SW150B10LF, SW150B15LF, SW150B20LF, SW150B25LF, SW150B30LF, SW150B40LF, SW150B50LF, SW150B60LF, SW150B100L-RF, SW150B150L-RF, SW150B200L-RF, SW150B250L-RF, SW150B300L-RF, SW150B400L-RF, SW150B500L-RF, SW150B600L-RF, SW150B800L-RF, SW150B1000L-RF, SW150B1200L-RF, SW150B1500L-RF, SW150B1800L-RF, SW150B2400L-RF, SW150B3000L-RF, SW150B3600L-RF, SW150B10RF, SW150B15RF, SW150B20RF, SW150B25RF, SW150B30RF, SW150B40RF, SW150B50RF, SW150B60RF, SW150B100R-LF, SW150B150R-LF, SW150B200R-LF, SW150B250R-LF, SW150B300R-LF, SW150B400R-LF, SW150B500R-LF, SW150B600R-LF, SW150B800R-LF, SW150B1000R-LF, SW150B1200R-LF, SW150B1500R-LF, SW150B1800R-LF, SW150B2400R-LF, SW150B3000R-LF, SW150B3600R-LF, SW175B10LF, SW175B15LF, SW175B20LF, SW175B25LF, SW175B30LF, SW175B40LF, SW175B50LF, SW175B60LF, SW175B100L-RF, SW175B150L-RF, SW175B200L-RF, SW175B250L-RF, SW175B300L-RF, SW175B400L-RF, SW175B500L-RF, SW175B600L-RF, SW175B800L-RF, SW175B1000L-RF, SW175B1200L-RF, SW175B1500L-RF, SW175B1800L-RF, SW175B2400L-RF, SW175B3000L-RF, SW175B3600L-RF, SW175B10RF, SW175B15RF, SW175B20RF, SW175B25RF, SW175B30RF, SW175B40RF, SW175B50RF, SW175B60RF, SW175B100R-LF, SW175B150R-LF, SW175B200R-LF, SW175B250R-LF, SW175B300R-LF, SW175B400R-LF, SW175B500R-LF, SW175B600R-LF, SW175B800R-LF, SW175B1000R-LF, SW175B1200R-LF, SW175B1500R-LF, SW175B1800R-LF, SW175B2400R-LF, SW175B3000R-LF, SW175B3600R-LF, SW200B10LF, SW200B15LF, SW200B20LF, SW200B25LF, SW200B30LF, SW200B40LF, SW200B50LF, SW200B60LF, SW200B100L-RF, SW200B150L-RF, SW200B200L-RF, SW200B250L-RF, SW200B300L-RF, SW200B400L-RF, SW200B500L-RF, SW200B600L-RF, SW200B800L-RF, SW200B1000L-RF, SW200B1200L-RF, SW200B1500L-RF, SW200B1800L-RF, SW200B2400L-RF, SW200B3000L-RF, SW200B3600L-RF, SW200B10RF, SW200B15RF, SW200B20RF, SW200B25RF, SW200B30RF, SW200B40RF, SW200B50RF, SW200B60RF, SW200B100R-LF, SW200B150R-LF, SW200B200R-LF, SW200B250R-LF, SW200B300R-LF, SW200B400R-LF, SW200B500R-LF, SW200B600R-LF, SW200B800R-LF, SW200B1000R-LF, SW200B1200R-LF, SW200B1500R-LF, SW200B1800R-LF, SW200B2400R-LF, SW200B3000R-LF, SW200B3600R-LF, SW80V10LF, SW80V15LF, SW80V20LF, SW80V25LF, SW80V30LF, SW80V40LF, SW80V50LF, SW80V60LF, SW80V100L-RF, SW80V150L-RF, SW80V200L-RF, SW80V250L-RF, SW80V300L-RF, SW80V400L-RF, SW80V500L-RF, SW80V600L-RF, SW80V800L-RF, SW80V1000L-RF, SW80V1200L-RF, SW80V1500L-RF, SW80V1800L-RF, SW80V2400L-RF, SW80V3000L-RF, SW80V3600L-RF, SW80V10RF, SW80V15RF, SW80V20RF, SW80V25RF, SW80V30RF, SW80V40RF, SW80V50RF, SW80V60RF, SW80V100R-LF, SW80V150R-LF, SW80V200R-LF, SW80V250R-LF, SW80V300R-LF, SW80V400R-LF, SW80V500R-LF, SW80V600R-LF, SW80V800R-LF, SW80V1000R-LF, SW80V1200R-LF, SW80V1500R-LF, SW80V1800R-LF, SW80V2400R-LF, SW80V3000R-LF, SW80V3600R-LF, SW100V10LF, SW100V15LF, SW100V20LF, SW100V25LF, SW100V30LF, SW100V40LF, SW100V50LF, SW100V60LF, SW100V100L-RF, SW100V150L-RF, SW100V200L-RF, SW100V250L-RF, SW100V300L-RF, SW100V400L-RF, SW100V500L-RF, SW100V600L-RF, SW100V800L-RF, SW100V1000L-RF, SW100V1200L-RF, SW100V1500L-RF, SW100V1800L-RF, SW100V2400L-RF, SW100V3000L-RF, SW100V3600L-RF, SW100V10RF, SW100V15RF, SW100V20RF, SW100V25RF, SW100V30RF, SW100V40RF, SW100V50RF, SW100V60RF, SW100V100R-LF, SW100V150R-LF, SW100V200R-LF, SW100V250R-LF, SW100V300R-LF, SW100V400R-LF, SW100V500R-LF, SW100V600R-LF, SW100V800R-LF, SW100V1000R-LF, SW100V1200R-LF, SW100V1500R-LF, SW100V1800R-LF, SW100V2400R-LF, SW100V3000R-LF, SW100V3600R-LF, SW125V10LF, SW125V15LF, SW125V20LF, SW125V25LF, SW125V30LF, SW125V40LF, SW125V50LF, SW125V60LF, SW125V100L-RF, SW125V150L-RF, SW125V200L-RF, SW125V250L-RF, SW125V300L-RF, SW125V400L-RF, SW125V500L-RF, SW125V600L-RF, SW125V800L-RF, SW125V1000L-RF, SW125V1200L-RF, SW125V1500L-RF, SW125V1800L-RF, SW125V2400L-RF, SW125V3000L-RF, SW125V3600L-RF, SW125V10RF, SW125V15RF, SW125V20RF, SW125V25RF, SW125V30RF, SW125V40RF, SW125V50RF, SW125V60RF, SW125V100R-LF, SW125V150R-LF, SW125V200R-LF, SW125V250R-LF, SW125V300R-LF, SW125V400R-LF, SW125V500R-LF, SW125V600R-LF, SW125V800R-LF, SW125V1000R-LF, SW125V1200R-LF, SW125V1500R-LF, SW125V1800R-LF, SW125V2400R-LF, SW125V3000R-LF, SW125V3600R-LF, SW150V10LF, SW150V15LF, SW150V20LF, SW150V25LF, SW150V30LF, SW150V40LF, SW150V50LF, SW150V60LF, SW150V100L-RF, SW150V150L-RF, SW150V200L-RF, SW150V250L-RF, SW150V300L-RF, SW150V400L-RF, SW150V500L-RF, SW150V600L-RF, SW150V800L-RF, SW150V1000L-RF, SW150V1200L-RF, SW150V1500L-RF, SW150V1800L-RF, SW150V2400L-RF, SW150V3000L-RF, SW150V3600L-RF, SW150V10RF, SW150V15RF, SW150V20RF, SW150V25RF, SW150V30RF, SW150V40RF, SW150V50RF, SW150V60RF, SW150V100R-LF, SW150V150R-LF, SW150V200R-LF, SW150V250R-LF, SW150V300R-LF, SW150V400R-LF, SW150V500R-LF, SW150V600R-LF, SW150V800R-LF, SW150V1000R-LF, SW150V1200R-LF, SW150V1500R-LF, SW150V1800R-LF, SW150V2400R-LF, SW150V3000R-LF, SW150V3600R-LF, SW175V10LF, SW175V15LF, SW175V20LF, SW175V25LF, SW175V30LF, SW175V40LF, SW175V50LF, SW175V60LF, SW175V100L-RF, SW175V150L-RF, SW175V200L-RF, SW175V250L-RF, SW175V300L-RF, SW175V400L-RF, SW175V500L-RF, SW175V600L-RF, SW175V800L-RF, SW175V1000L-RF, SW175V1200L-RF, SW175V1500L-RF, SW175V1800L-RF, SW175V2400L-RF, SW175V3000L-RF, SW175V3600L-RF, SW175V10RF, SW175V15RF, SW175V20RF, SW175V25RF, SW175V30RF, SW175V40RF, SW175V50RF, SW175V60RF, SW175V100R-LF, SW175V150R-LF, SW175V200R-LF, SW175V250R-LF, SW175V300R-LF, SW175V400R-LF, SW175V500R-LF, SW175V600R-LF, SW175V800R-LF, SW175V1000R-LF, SW175V1200R-LF, SW175V1500R-LF, SW175V1800R-LF, SW175V2400R-LF, SW175V3000R-LF, SW175V3600R-LF, SW200V10LF, SW200V15LF, SW200V20LF, SW200V25LF, SW200V30LF, SW200V40LF, SW200V50LF, SW200V60LF, SW200V100L-RF, SW200V150L-RF, SW200V200L-RF, SW200V250L-RF, SW200V300L-RF, SW200V400L-RF, SW200V500L-RF, SW200V600L-RF, SW200V800L-RF, SW200V1000L-RF, SW200V1200L-RF, SW200V1500L-RF, SW200V1800L-RF, SW200V2400L-RF, SW200V3000L-RF, SW200V3600L-RF, SW200V10RF, SW200V15RF, SW200V20RF, SW200V25RF, SW200V30RF, SW200V40RF, SW200V50RF, SW200V60RF, SW200V100R-LF, SW200V150R-LF, SW200V200R-LF, SW200V250R-LF, SW200V300R-LF, SW200V400R-LF, SW200V500R-LF, SW200V600R-LF, SW200V800R-LF, SW200V1000R-LF, SW200V1200R-LF, SW200V1500R-LF, SW200V1800R-LF, SW200V2400R-LF, SW200V3000R-LF, SW200V3600R-LF, SW80T10SLF, SW80T15SLF, SW80T20SLF, SW80T25SLF, SW80T30SLF, SW80T40SLF, SW80T50SLF, SW80T60SLF, SW80T10SRF, SW80T15SRF, SW80T20SRF, SW80T25SRF, SW80T30SRF, SW80T40SRF, SW80T50SRF, SW80T60SRF, SW100T10SLF, SW100T15SLF, SW100T20SLF, SW100T25SLF, SW100T30SLF, SW100T40SLF, SW100T50SLF, SW100T60SLF, SW100T10SRF, SW100T15SRF, SW100T20SRF, SW100T25SRF, SW100T30SRF, SW100T40SRF, SW100T50SRF, SW100T60SRF, SW125T10SLF, SW125T15SLF, SW125T20SLF, SW125T25SLF, SW125T30SLF, SW125T40SLF, SW125T50SLF, SW125T60SLF, SW125T10SRF, SW125T15SRF, SW125T20SRF, SW125T25SRF, SW125T30SRF, SW125T40SRF, SW125T50SRF, SW125T60SRF, SW150T10SLF, SW150T15SLF, SW150T20SLF, SW150T25SLF, SW150T30SLF, SW150T40SLF, SW150T50SLF, SW150T60SLF, SW150T10SRF, SW150T15SRF, SW150T20SRF, SW150T25SRF, SW150T30SRF, SW150T40SRF, SW150T50SRF, SW150T60SRF, SW175T10SLF, SW175T15SLF, SW175T20SLF, SW175T25SLF, SW175T30SLF, SW175T40SLF, SW175T50SLF, SW175T60SLF, SW175T10SRF, SW175T15SRF, SW175T20SRF, SW175T25SRF, SW175T30SRF, SW175T40SRF, SW175T50SRF, SW175T60SRF, SW200T10SLF, SW200T15SLF, SW200T20SLF, SW200T25SLF, SW200T30SLF, SW200T40SLF, SW200T50SLF, SW200T60SLF, SW200T10SRF, SW200T15SRF, SW200T20SRF, SW200T25SRF, SW200T30SRF, SW200T40SRF, SW200T50SRF, SW200T60SRF, SW80B10SLF, SW80B15SLF, SW80B20SLF, SW80B25SLF, SW80B30SLF, SW80B40SLF, SW80B50SLF, SW80B60SLF, SW80B10SRF, SW80B15SRF, SW80B20SRF, SW80B25SRF, SW80B30SRF, SW80B40SRF, SW80B50SRF, SW80B60SRF, SW80B100R-SLF, SW80B150R-SLF, SW80B200R-SLF, SW80B250R-SLF, SW80B300R-SLF, SW80B400R-SLF, SW80B500R-SLF, SW80B600R-SLF, SW80B800R-SLF, SW80B1000R-SLF, SW80B1200R-SLF, SW80B1500R-SLF, SW80B1800R-SLF, SW80B2400R-SLF, SW80B3000R-SLF, SW80B3600R-SLF, SW80B100L-SRF, SW80B150L-SRF, SW80B200L-SRF, SW80B250L-SRF, SW80B300L-SRF, SW80B400L-SRF, SW80B500L-SRF, SW80B600L-SRF, SW80B800L-SRF, SW80B1000L-SRF, SW80B1200L-SRF, SW80B1500L-SRF, SW80B1800L-SRF, SW80B2400L-SRF, SW80B3000L-SRF, SW80B3600L-SRF, SW100B10SLF, SW100B15SLF, SW100B20SLF, SW100B25SLF, SW100B30SLF, SW100B40SLF, SW100B50SLF, SW100B60SLF, SW100B10SRF, SW100B15SRF, SW100B20SRF, SW100B25SRF, SW100B30SRF, SW100B40SRF, SW100B50SRF, SW100B60SRF, SW100B100R-SLF, SW100B150R-SLF, SW100B200R-SLF, SW100B250R-SLF, SW100B300R-SLF, SW100B400R-SLF, SW100B500R-SLF, SW100B600R-SLF, SW100B800R-SLF, SW100B1000R-SLF, SW100B1200R-SLF, SW100B1500R-SLF, SW100B1800R-SLF, SW100B2400R-SLF, SW100B3000R-SLF, SW100B3600R-SLF, SW100B100L-SRF, SW100B150L-SRF, SW100B200L-SRF, SW100B250L-SRF, SW100B300L-SRF, SW100B400L-SRF, SW100B500L-SRF, SW100B600L-SRF, SW100B800L-SRF, SW100B1000L-SRF, SW100B1200L-SRF, SW100B1500L-SRF, SW100B1800L-SRF, SW100B2400L-SRF, SW100B3000L-SRF, SW100B3600L-SRF, SW125B10SLF, SW125B15SLF, SW125B20SLF, SW125B25SLF, SW125B30SLF, SW125B40SLF, SW125B50SLF, SW125B60SLF, SW125B10SRF, SW125B15SRF, SW125B20SRF, SW125B25SRF, SW125B30SRF, SW125B40SRF, SW125B50SRF, SW125B60SRF, SW125B100R-SLF, SW125B150R-SLF, SW125B200R-SLF, SW125B250R-SLF, SW125B300R-SLF, SW125B400R-SLF, SW125B500R-SLF, SW125B600R-SLF, SW125B800R-SLF, SW125B1000R-SLF, SW125B1200R-SLF, SW125B1500R-SLF, SW125B1800R-SLF, SW125B2400R-SLF, SW125B3000R-SLF, SW125B3600R-SLF, SW125B100L-SRF, SW125B150L-SRF, SW125B200L-SRF, SW125B250L-SRF, SW125B300L-SRF, SW125B400L-SRF, SW125B500L-SRF, SW125B600L-SRF, SW125B800L-SRF, SW125B1000L-SRF, SW125B1200L-SRF, SW125B1500L-SRF, SW125B1800L-SRF, SW125B2400L-SRF, SW125B3000L-SRF, SW125B3600L-SRF, SW150B10SLF, SW150B15SLF, SW150B20SLF, SW150B25SLF, SW150B30SLF, SW150B40SLF, SW150B50SLF, SW150B60SLF, SW150B10SRF, SW150B15SRF, SW150B20SRF, SW150B25SRF, SW150B30SRF, SW150B40SRF, SW150B50SRF, SW150B60SRF, SW150B100R-SLF, SW150B150R-SLF, SW150B200R-SLF, SW150B250R-SLF, SW150B300R-SLF, SW150B400R-SLF, SW150B500R-SLF, SW150B600R-SLF, SW150B800R-SLF, SW150B1000R-SLF, SW150B1200R-SLF, SW150B1500R-SLF, SW150B1800R-SLF, SW150B2400R-SLF, SW150B3000R-SLF, SW150B3600R-SLF, SW150B100L-SRF, SW150B150L-SRF, SW150B200L-SRF, SW150B250L-SRF, SW150B300L-SRF, SW150B400L-SRF, SW150B500L-SRF, SW150B600L-SRF, SW150B800L-SRF, SW150B1000L-SRF, SW150B1200L-SRF, SW150B1500L-SRF, SW150B1800L-SRF, SW150B2400L-SRF, SW150B3000L-SRF, SW150B3600L-SRF, SW175B10SLF, SW175B15SLF, SW175B20SLF, SW175B25SLF, SW175B30SLF, SW175B40SLF, SW175B50SLF, SW175B60SLF, SW175B10SRF, SW175B15SRF, SW175B20SRF, SW175B25SRF, SW175B30SRF, SW175B40SRF, SW175B50SRF, SW175B60SRF, SW175B100R-SLF, SW175B150R-SLF, SW175B200R-SLF, SW175B250R-SLF, SW175B300R-SLF, SW175B400R-SLF, SW175B500R-SLF, SW175B600R-SLF, SW175B800R-SLF, SW175B1000R-SLF, SW175B1200R-SLF, SW175B1500R-SLF, SW175B1800R-SLF, SW175B2400R-SLF, SW175B3000R-SLF, SW175B3600R-SLF, SW175B100L-SRF, SW175B150L-SRF, SW175B200L-SRF, SW175B250L-SRF, SW175B300L-SRF, SW175B400L-SRF, SW175B500L-SRF, SW175B600L-SRF, SW175B800L-SRF, SW175B1000L-SRF, SW175B1200L-SRF, SW175B1500L-SRF, SW175B1800L-SRF, SW175B2400L-SRF, SW175B3000L-SRF, SW175B3600L-SRF, SW200B10SLF, SW200B15SLF, SW200B20SLF, SW200B25SLF, SW200B30SLF, SW200B40SLF, SW200B50SLF, SW200B60SLF, SW200B10SRF, SW200B15SRF, SW200B20SRF, SW200B25SRF, SW200B30SRF, SW200B40SRF, SW200B50SRF, SW200B60SRF, SW200B100R-SLF, SW200B150R-SLF, SW200B200R-SLF, SW200B250R-SLF, SW200B300R-SLF, SW200B400R-SLF, SW200B500R-SLF, SW200B600R-SLF, SW200B800R-SLF, SW200B1000R-SLF, SW200B1200R-SLF, SW200B1500R-SLF, SW200B1800R-SLF, SW200B2400R-SLF, SW200B3000R-SLF, SW200B3600R-SLF, SW200B100L-SRF, SW200B150L-SRF, SW200B200L-SRF, SW200B250L-SRF, SW200B300L-SRF, SW200B400L-SRF, SW200B500L-SRF, SW200B600L-SRF, SW200B800L-SRF, SW200B1000L-SRF, SW200B1200L-SRF, SW200B1500L-SRF, SW200B1800L-SRF, SW200B2400L-SRF, SW200B3000L-SRF, SW200B3600L-SRF, SW80V10SLF, SW80V15SLF, SW80V20SLF, SW80V25SLF, SW80V30SLF, SW80V40SLF, SW80V50SLF, SW80V60SLF, SW80V10SRF, SW80V15SRF, SW80V20SRF, SW80V25SRF, SW80V30SRF, SW80V40SRF, SW80V50SRF, SW80V60SRF, SW80V100R-SLF, SW80V150R-SLF, SW80V200R-SLF, SW80V250R-SLF, SW80V300R-SLF, SW80V400R-SLF, SW80V500R-SLF, SW80V600R-SLF, SW80V800R-SLF, SW80V1000R-SLF, SW80V1200R-SLF, SW80V1500R-SLF, SW80V1800R-SLF, SW80V2400R-SLF, SW80V3000R-SLF, SW80V3600R-SLF, SW80V100L-SRF, SW80V150L-SRF, SW80V200L-SRF, SW80V250L-SRF, SW80V300L-SRF, SW80V400L-SRF, SW80V500L-SRF, SW80V600L-SRF, SW80V800L-SRF, SW80V1000L-SRF, SW80V1200L-SRF, SW80V1500L-SRF, SW80V1800L-SRF, SW80V2400L-SRF, SW80V3000L-SRF, SW80V3600L-SRF, SW100V10SLF, SW100V15SLF, SW100V20SLF, SW100V25SLF, SW100V30SLF, SW100V40SLF, SW100V50SLF, SW100V60SLF, SW100V10SRF, SW100V15SRF, SW100V20SRF, SW100V25SRF, SW100V30SRF, SW100V40SRF, SW100V50SRF, SW100V60SRF, SW100V100R-SLF, SW100V150R-SLF, SW100V200R-SLF, SW100V250R-SLF, SW100V300R-SLF, SW100V400R-SLF, SW100V500R-SLF, SW100V600R-SLF, SW100V800R-SLF, SW100V1000R-SLF, SW100V1200R-SLF, SW100V1500R-SLF, SW100V1800R-SLF, SW100V2400R-SLF, SW100V3000R-SLF, SW100V3600R-SLF, SW100V100L-SRF, SW100V150L-SRF, SW100V200L-SRF, SW100V250L-SRF, SW100V300L-SRF, SW100V400L-SRF, SW100V500L-SRF, SW100V600L-SRF, SW100V800L-SRF, SW100V1000L-SRF, SW100V1200L-SRF, SW100V1500L-SRF, SW100V1800L-SRF, SW100V2400L-SRF, SW100V3000L-SRF, SW100V3600L-SRF, SW125V10SLF, SW125V15SLF, SW125V20SLF, SW125V25SLF, SW125V30SLF, SW125V40SLF, SW125V50SLF, SW125V60SLF, SW125V10SRF, SW125V15SRF, SW125V20SRF, SW125V25SRF, SW125V30SRF, SW125V40SRF, SW125V50SRF, SW125V60SRF, SW125V100R-SLF, SW125V150R-SLF, SW125V200R-SLF, SW125V250R-SLF, SW125V300R-SLF, SW125V400R-SLF, SW125V500R-SLF, SW125V600R-SLF, SW125V800R-SLF, SW125V1000R-SLF, SW125V1200R-SLF, SW125V1500R-SLF, SW125V1800R-SLF, SW125V2400R-SLF, SW125V3000R-SLF, SW125V3600R-SLF, SW125V100L-SRF, SW125V150L-SRF, SW125V200L-SRF, SW125V250L-SRF, SW125V300L-SRF, SW125V400L-SRF, SW125V500L-SRF, SW125V600L-SRF, SW125V800L-SRF, SW125V1000L-SRF, SW125V1200L-SRF, SW125V1500L-SRF, SW125V1800L-SRF, SW125V2400L-SRF, SW125V3000L-SRF, SW125V3600L-SRF, SW150V10SLF, SW150V15SLF, SW150V20SLF, SW150V25SLF, SW150V30SLF, SW150V40SLF, SW150V50SLF, SW150V60SLF, SW150V10SRF, SW150V15SRF, SW150V20SRF, SW150V25SRF, SW150V30SRF, SW150V40SRF, SW150V50SRF, SW150V60SRF, SW150V100R-SLF, SW150V150R-SLF, SW150V200R-SLF, SW150V250R-SLF, SW150V300R-SLF, SW150V400R-SLF, SW150V500R-SLF, SW150V600R-SLF, SW150V800R-SLF, SW150V1000R-SLF, SW150V1200R-SLF, SW150V1500R-SLF, SW150V1800R-SLF, SW150V2400R-SLF, SW150V3000R-SLF, SW150V3600R-SLF, SW150V100L-SRF, SW150V150L-SRF, SW150V200L-SRF, SW150V250L-SRF, SW150V300L-SRF, SW150V400L-SRF, SW150V500L-SRF, SW150V600L-SRF, SW150V800L-SRF, SW150V1000L-SRF, SW150V1200L-SRF, SW150V1500L-SRF, SW150V1800L-SRF, SW150V2400L-SRF, SW150V3000L-SRF, SW150V3600L-SRF, SW175V10SLF, SW175V15SLF, SW175V20SLF, SW175V25SLF, SW175V30SLF, SW175V40SLF, SW175V50SLF, SW175V60SLF, SW175V10SRF, SW175V15SRF, SW175V20SRF, SW175V25SRF, SW175V30SRF, SW175V40SRF, SW175V50SRF, SW175V60SRF, SW175V100R-SLF, SW175V150R-SLF, SW175V200R-SLF, SW175V250R-SLF, SW175V300R-SLF, SW175V400R-SLF, SW175V500R-SLF, SW175V600R-SLF, SW175V800R-SLF, SW175V1000R-SLF, SW175V1200R-SLF, SW175V1500R-SLF, SW175V1800R-SLF, SW175V2400R-SLF, SW175V3000R-SLF, SW175V3600R-SLF, SW175V100L-SRF, SW175V150L-SRF, SW175V200L-SRF, SW175V250L-SRF, SW175V300L-SRF, SW175V400L-SRF, SW175V500L-SRF, SW175V600L-SRF, SW175V800L-SRF, SW175V1000L-SRF, SW175V1200L-SRF, SW175V1500L-SRF, SW175V1800L-SRF, SW175V2400L-SRF, SW175V3000L-SRF, SW175V3600L-SRF, SW200V10SLF, SW200V15SLF, SW200V20SLF, SW200V25SLF, SW200V30SLF, SW200V40SLF, SW200V50SLF, SW200V60SLF, SW200V10SRF, SW200V15SRF, SW200V20SRF, SW200V25SRF, SW200V30SRF, SW200V40SRF, SW200V50SRF, SW200V60SRF, SW200V100R-SLF, SW200V150R-SLF, SW200V200R-SLF, SW200V250R-SLF, SW200V300R-SLF, SW200V400R-SLF, SW200V500R-SLF, SW200V600R-SLF, SW200V800R-SLF, SW200V1000R-SLF, SW200V1200R-SLF, SW200V1500R-SLF, SW200V1800R-SLF, SW200V2400R-SLF, SW200V3000R-SLF, SW200V3600R-SLF, SW200V100L-SRF, SW200V150L-SRF, SW200V200L-SRF, SW200V250L-SRF, SW200V300L-SRF, SW200V400L-SRF, SW200V500L-SRF, SW200V600L-SRF, SW200V800L-SRF, SW200V1000L-SRF, SW200V1200L-SRF, SW200V1500L-SRF, SW200V1800L-SRF, SW200V2400L-SRF, SW200V3000L-SRF, SW200V3600L-SRF, SWJ25E10DF, SWJ25E15DF, SWJ25E20DF, SWJ25E25DF, SWJ25E30DF, SWJ25E40DF, SWJ25E50DF, SWJ25E60DF, SWJ35E10DF, SWJ35E15DF, SWJ35E20DF, SWJ35E25DF, SWJ35E30DF, SWJ35E40DF, SWJ35E50DF, SWJ35E60DF, SWJ42E10DF, SWJ42E15DF, SWJ42E20DF, SWJ42E25DF, SWJ42E30DF, SWJ42E40DF, SWJ42E50DF, SWJ42E60DF, SWJ50E10DF, SWJ50E15DF, SWJ50E20DF, SWJ50E25DF, SWJ50E30DF, SWJ50E40DF, SWJ50E50DF, SWJ50E60DF, SWJ63E10DF, SWJ63E15DF, SWJ63E20DF, SWJ63E25DF, SWJ63E30DF, SWJ63E40DF, SWJ63E50DF, SWJ63E60DF, SWJ70E10LF, SWJ70E15LF, SWJ70E20LF, SWJ70E25LF, SWJ70E30LF, SWJ70E40LF, SWJ70E50LF, SWJ70E60LF, SWJ70E10RF, SWJ70E15RF, SWJ70E20RF, SWJ70E25RF, SWJ70E30RF, SWJ70E40RF, SWJ70E50RF, SWJ70E60RF, TM10E10A, TM10E20A, TM10E30A, TM10E40A, TM10E50A, TM10E60A, TM10E10B, TM10E20B, TM10E30B, TM10E40B, TM10E50B, TM10E60B, TM10E10C, TM10E20C, TM10E30C, TM10E40C, TM10E50C, TM10E60C, TM13E10A, TM13E20A, TM13E30A, TM13E40A, TM13E50A, TM13E60A, TM13E10B, TM13E20B, TM13E30B, TM13E40B, TM13E50B, TM13E60B, TM13E10C, TM13E20C, TM13E30C, TM13E40C, TM13E50C, TM13E60C, TM16E10A, TM16E20A, TM16E30A, TM16E40A, TM16E50A, TM16E60A, TM16E10B, TM16E20B, TM16E30B, TM16E40B, TM16E50B, TM16E60B, TM16E10C, TM16E20C, TM16E30C, TM16E40C, TM16E50C, TM16E60C, TM22E10A, TM22E20A, TM22E30A, TM22E40A, TM22E50A, TM22E60A, TM22E10B, TM22E20B, TM22E30B, TM22E40B, TM22E50B, TM22E60B, TM22E10C, TM22E20C, TM22E30C, TM22E40C, TM22E50C, TM22E60C, TM22E10A-ASHITUKI, TM22E20A-ASHITUKI, TM22E30A-ASHITUKI, TM22E40A-ASHITUKI, TM22E50A-ASHITUKI, TM22E60A-ASHITUKI, TM22E10B-ASHITUKI, TM22E20B-ASHITUKI, TM22E30B-ASHITUKI, TM22E40B-ASHITUKI, TM22E50B-ASHITUKI, TM22E60B-ASHITUKI, TM22E10C-ASHITUKI, TM22E20C-ASHITUKI, TM22E30C-ASHITUKI, TM22E40C-ASHITUKI, TM22E50C-ASHITUKI, TM22E60C-ASHITUKI, TD125S10BL, TD125S20BL, TD125S30BL, TD125S40BL, TD125S50BL, TD125S60BL, TD150S10BL, TD150S20BL, TD150S30BL, TD150S40BL, TD150S50BL, TD150S60BL, TD175S10BL, TD175S20BL, TD175S30BL, TD175S40BL, TD175S50BL, TD175S60BL, TD200S10BL, TD200S20BL, TD200S30BL, TD200S40BL, TD200S50BL, TD200S60BL, TD225S10BL, TD225S20BL, TD225S30BL, TD225S40BL, TD225S50BL, TD225S60BL, TD250S10BL, TD250S20BL, TD250S30BL, TD250S40BL, TD250S50BL, TD250S60BL, TD280S10BL, TD280S20BL, TD280S30BL, TD280S40BL, TD280S50BL, TD280S60BL, TD315S10BL, TD315S20BL, TD315S30BL, TD315S40BL, TD315S50BL, TD315S60BL, TD125S10BR, TD125S20BR, TD125S30BR, TD125S40BR, TD125S50BR, TD125S60BR, TD150S10BR, TD150S40BR, TD150S20BR, TD150S30BR, TD150S50BR, TD150S60BR, TD175S10BR, TD175S20BR, TD175S30BR, TD175S40BR, TD175S50BR, TD175S60BR, TD200S10BR, TD200S20BR, TD200S30BR, TD200S40BR, TD200S50BR, TD200S60BR, TD225S10BR, TD225S20BR, TD225S30BR, TD225S40BR, TD225S50BR, TD225S60BR, TD250S10BR, TD250S20BR, TD250S30BR, TD250S40BR, TD250S50BR, TD250S60BR, TD280S10BR, TD280S20BR, TD280S30BR, TD280S40BR, TD280S50BR, TD280S60BR, TD315S10BR, TD315S20BR, TD315S30BR, TD315S40BR, TD315S50BR, TD315S60BR, TD125S10BLR, TD125S20BLR, TD125S30BLR, TD125S40BLR, TD125S50BLR, TD125S60BLR, TD150S10BLR, TD150S20BLR, TD150S30BLR, TD150S40BLR, TD150S50BLR, TD150S60BLR, TD175S10BLR, TD175S20BLR, TD175S30BLR, TD175S40BLR, TD175S50BLR, TD175S60BLR, TD200S10BLR, TD200S20BLR, TD200S30BLR, TD200S40BLR, TD200S50BLR, TD200S60BLR, TD225S10BLR, TD225S20BLR, TD225S30BLR, TD225S40BLR, TD225S50BLR, TD225S60BLR, TD250S10BLR, TD250S20BLR, TD250S30BLR, TD250S40BLR, TD250S50BLR, TD250S60BLR, TD280S10BLR, TD280S20BLR, TD280S30BLR, TD280S40BLR, TD280S50BLR, TD280S60BLR, TD315S10BLR, TD315S20BLR, TD315S30BLR, TD315S40BLR, TD315S50BLR, TD315S60BLR, TD125S10TL, TD125S20TL, TD125S30TL, TD125S40TL, TD125S50TL, TD125S60TL, TD150S10TL, TD150S20TL, TD150S30TL, TD150S40TL, TD150S50TL, TD150S60TL, TD175S10TL, TD175S20TL, TD175S30TL, TD175S40TL, TD175S50TL, TD175S60TL, TD200S10TL, TD200S20TL, TD200S30TL, TD200S40TL, TD200S50TL, TD200S60TL, TD225S10TL, TD225S20TL, TD225S30TL, TD225S40TL, TD225S50TL, TD225S60TL, TD250S10TL, TD250S20TL, TD250S30TL, TD250S40TL, TD250S50TL, TD250S60TL, TD280S10TL, TD280S20TL, TD280S30TL, TD280S40TL, TD280S50TL, TD280S60TL, TD315S10TL, TD315S20TL, TD315S30TL, TD315S40TL, TD315S50TL, TD315S60TL, TD125S10TR, TD125S20TR, TD125S30TR, TD125S40TR, TD125S50TR, TD125S60TR, TD150S10TR, TD150S20TR, TD150S30TR, TD150S40TR, TD150S50TR, TD150S60TR, TD175S10TR, TD175S20TR, TD175S30TR, TD175S40TR, TD175S50TR, TD175S60TR, TD200S10TR, TD200S20TR, TD200S30TR, TD200S40TR, TD200S50TR, TD200S60TR, TD225S10TR, TD225S20TR, TD225S30TR, TD225S40TR, TD225S50TR, TD225S60TR, TD250S10TR, TD250S20TR, TD250S30TR, TD250S40TR, TD250S50TR, TD250S60TR, TD280S10TR, TD280S20TR, TD280S30TR, TD280S40TR, TD280S50TR, TD280S60TR, TD315S10TR, TD315S20TR, TD315S30TR, TD315S40TR, TD315S50TR, TD315S60TR, TD125S10TLR, TD125S20TLR, TD125S30TLR, TD125S40TLR, TD125S50TLR, TD125S60TLR, TD150S10TLR, TD150S20TLR, TD150S30TLR, TD150S40TLR, TD150S50TLR, TD150S60TLR, TD175S10TLR, TD175S20TLR, TD175S30TLR, TD175S40TLR, TD175S50TLR, TD175S60TLR, TD200S10TLR, TD200S20TLR, TD200S30TLR, TD200S40TLR, TD200S50TLR, TD200S60TLR, TD225S10TLR, TD225S20TLR, TD225S30TLR, TD225S40TLR, TD225S50TLR, TD225S60TLR, TD250S10TLR, TD250S20TLR, TD250S30TLR, TD250S40TLR, TD250S50TLR, TD250S60TLR, TD280S10TLR, TD280S20TLR, TD280S30TLR, TD280S40TLR, TD280S50TLR, TD280S60TLR, TD315S10TLR, TD315S20TLR, TD315S30TLR, TD315S40TLR, TD315S50TLR, TD315S60TLR, TD125S10VLU, TD125S20VLU, TD125S30VLU, TD125S40VLU, TD125S50VLU, TD125S60VLU, TD150S10VLU, TD150S20VLU, TD150S30VLU, TD150S40VLU, TD150S50VLU, TD150S60VLU, TD175S10VLU, TD175S20VLU, TD175S30VLU, TD175S40VLU, TD175S50VLU, TD175S60VLU, TD200S10VLU, TD200S20VLU, TD200S30VLU, TD200S40VLU, TD200S50VLU, TD200S60VLU, TD225S10VLU, TD225S20VLU, TD225S30VLU, TD225S40VLU, TD225S50VLU, TD225S60VLU, TD250S10VLU, TD250S20VLU, TD250S30VLU, TD250S40VLU, TD250S50VLU, TD250S60VLU, TD280S10VLU, TD280S20VLU, TD280S30VLU, TD280S40VLU, TD280S50VLU, TD280S60VLU, TD315S10VLU, TD315S20VLU, TD315S30VLU, TD315S40VLU, TD315S50VLU, TD315S60VLU, TD125S10VRU, TD125S20VRU, TD125S30VRU, TD125S40VRU, TD125S50VRU, TD125S60VRU, TD150S10VRU, TD150S20VRU, TD150S30VRU, TD150S40VRU, TD150S50VRU, TD150S60VRU, TD175S10VRU, TD175S20VRU, TD175S30VRU, TD175S40VRU, TD175S50VRU, TD175S60VRU, TD200S10VRU, TD200S20VRU, TD200S30VRU, TD200S40VRU, TD200S50VRU, TD200S60VRU, TD225S10VRU, TD225S20VRU, TD225S30VRU, TD225S40VRU, TD225S50VRU, TD225S60VRU, TD250S10VRU, TD250S20VRU, TD250S30VRU, TD250S40VRU, TD250S50VRU, TD250S60VRU, TD280S10VRU, TD280S20VRU, TD280S30VRU, TD280S40VRU, TD280S50VRU, TD280S60VRU, TD315S10VRU, TD315S20VRU, TD315S30VRU, TD315S40VRU, TD315S50VRU, TD315S60VRU, TD125S10VLD, TD125S20VLD, TD125S30VLD, TD125S40VLD, TD125S50VLD, TD125S60VLD, TD150S10VLD, TD150S20VLD, TD150S30VLD, TD150S40VLD, TD150S50VLD, TD150S60VLD, TD175S10VLD, TD175S20VLD, TD175S30VLD, TD175S40VLD, TD175S50VLD, TD175S60VLD, TD200S10VLD, TD200S20VLD, TD200S30VLD, TD200S40VLD, TD200S50VLD, TD200S60VLD, TD225S10VLD, TD225S20VLD, TD225S30VLD, TD225S40VLD, TD225S50VLD, TD225S60VLD, TD250S10VLD, TD250S20VLD, TD250S30VLD, TD250S40VLD, TD250S50VLD, TD250S60VLD, TD280S10VLD, TD280S20VLD, TD280S30VLD, TD280S40VLD, TD280S50VLD, TD280S60VLD, TD315S10VLD, TD315S20VLD, TD315S30VLD, TD315S40VLD, TD315S50VLD, TD315S60VLD, TD125S10VRD, TD125S20VRD, TD125S30VRD, TD125S40VRD, TD125S50VRD, TD125S60VRD, TD150S10VRD, TD150S20VRD, TD150S30VRD, TD150S40VRD, TD150S50VRD, TD150S60VRD, TD175S10VRD, TD175S20VRD, TD175S30VRD, TD175S40VRD, TD175S50VRD, TD175S60VRD, TD200S10VRD, TD200S20VRD, TD200S30VRD, TD200S40VRD, TD200S50VRD, TD200S60VRD, TD225S10VRD, TD225S20VRD, TD225S30VRD, TD225S40VRD, TD225S50VRD, TD225S60VRD, TD250S10VRD, TD250S20VRD, TD250S30VRD, TD250S40VRD, TD250S50VRD, TD250S60VRD, TD280S10VRD, TD280S20VRD, TD280S30VRD, TD280S40VRD, TD280S50VRD, TD280S60VRD, TD315S10VRD, TD315S20VRD, TD315S30VRD, TD315S40VRD, TD315S50VRD, TD315S60VRD, TD125S10VLUD, TD125S20VLUD, TD125S30VLUD, TD125S40VLUD, TD125S50VLUD, TD125S60VLUD, TD150S10VLUD, TD150S20VLUD, TD150S30VLUD, TD150S40VLUD, TD150S50VLUD, TD150S60VLUD, TD175S10VLUD, TD175S20VLUD, TD175S30VLUD, TD175S40VLUD, TD175S50VLUD, TD175S60VLUD, TD200S10VLUD, TD200S20VLUD, TD200S30VLUD, TD200S40VLUD, TD200S50VLUD, TD200S60VLUD, TD225S10VLUD, TD225S20VLUD, TD225S30VLUD, TD225S40VLUD, TD225S50VLUD, TD225S60VLUD, TD250S10VLUD, TD250S20VLUD, TD250S30VLUD, TD250S40VLUD, TD250S50VLUD, TD250S60VLUD, TD280S10VLUD, TD280S20VLUD, TD280S30VLUD, TD280S40VLUD, TD280S50VLUD, TD280S60VLUD, TD315S10VLUD, TD315S20VLUD, TD315S30VLUD, TD315S40VLUD, TD315S50VLUD, TD315S60VLUD, TD125S10VRUD, TD125S20VRUD, TD125S30VRUD, TD125S40VRUD, TD125S50VRUD, TD125S60VRUD, TD150S10VRUD, TD150S20VRUD, TD150S30VRUD, TD150S40VRUD, TD150S50VRUD, TD150S60VRUD, TD175S10VRUD, TD175S20VRUD, TD175S30VRUD, TD175S40VRUD, TD175S50VRUD, TD175S60VRUD, TD200S10VRUD, TD200S20VRUD, TD200S30VRUD, TD200S40VRUD, TD200S50VRUD, TD200S60VRUD, TD225S10VRUD, TD225S20VRUD, TD225S30VRUD, TD225S40VRUD, TD225S50VRUD, TD225S60VRUD, TD250S10VRUD, TD250S20VRUD, TD250S30VRUD, TD250S40VRUD, TD250S50VRUD, TD250S60VRUD, TD280S10VRUD, TD280S20VRUD, TD280S30VRUD, TD280S40VRUD, TD280S50VRUD, TD280S60VRUD, TD315S10VRUD, TD315S20VRUD, TD315S30VRUD, TD315S40VRUD, TD315S50VRUD, TD315S60VRUD, TD125H10BLF, TD125H20BLF, TD125H30BLF, TD125H40BLF, TD125H50BLF, TD125H60BLF, TD150H10BLF, TD150H20BLF, TD150H30BLF, TD150H40BLF, TD150H50BLF, TD150H60BLF, TD175H10BLF, TD175H20BLF, TD175H30BLF, TD175H40BLF, TD175H50BLF, TD175H60BLF, TD200H10BLF, TD200H20BLF, TD200H30BLF, TD200H40BLF, TD200H50BLF, TD200H60BLF, TD125H10BRF, TD125H20BRF, TD125H30BRF, TD125H40BRF, TD125H50BRF, TD125H60BRF, TD150H10BRF, TD150H20BRF, TD150H30BRF, TD150H40BRF, TD150H50BRF, TD150H60BRF, TD175H10BRF, TD175H20BRF, TD175H30BRF, TD175H40BRF, TD175H50BRF, TD175H60BRF, TD200H10BRF, TD200H20BRF, TD200H30BRF, TD200H40BRF, TD200H50BRF, TD200H60BRF, TD225H10BDF, TD225H20BDF, TD225H30BDF, TD225H40BDF, TD225H50BDF, TD225H60BDF, TD250H10BDF, TD250H20BDF, TD250H30BDF, TD250H40BDF, TD250H50BDF, TD250H60BDF, TD280H10BDF, TD280H20BDF, TD280H30BDF, TD280H40BDF, TD280H50BDF, TD280H60BDF, TD315H10BDF, TD315H20BDF, TD315H30BDF, TD315H40BDF, TD315H50BDF, TD315H60BDF, TD315H60TDF, TD125H10TLF, TD125H20TLF, TD125H30TLF, TD125H40TLF, TD125H50TLF, TD125H60TLF, TD150H10TLF, TD150H20TLF, TD150H30TLF, TD150H40TLF, TD150H50TLF, TD150H60TLF, TD175H10TLF, TD175H20TLF, TD175H30TLF, TD175H40TLF, TD175H50TLF, TD175H60TLF, TD200H10TLF, TD200H20TLF, TD200H30TLF, TD200H40TLF, TD200H50TLF, TD200H60TLF, TD125H10TRF, TD125H20TRF, TD125H30TRF, TD125H40TRF, TD125H50TRF, TD125H60TRF, TD150H10TRF, TD150H20TRF, TD150H30TRF, TD150H40TRF, TD150H50TRF, TD150H60TRF, TD175H10TRF, TD175H20TRF, TD175H30TRF, TD175H40TRF, TD175H50TRF, TD175H60TRF, TD200H10TRF, TD200H20TRF, TD200H30TRF, TD200H40TRF, TD200H50TRF, TD200H60TRF, TD225H10TDF, TD225H20TDF, TD225H30TDF, TD225H40TDF, TD225H50TDF, TD225H60TDF, TD250H10TDF, TD250H20TDF, TD250H30TDF, TD250H40TDF, TD250H50TDF, TD250H60TDF, TD280H10TDF, TD280H20TDF, TD280H30TDF, TD280H40TDF, TD280H50TDF, TD280H60TDF, TD315H10TDF, TD315H20TDF, TD315H30TDF, TD315H40TDF, TD315H50TDF, TD125H10VLF, TD125H20VLF, TD125H30VLF, TD125H40VLF, TD125H50VLF, TD125H60VLF, TD150H10VLF, TD150H20VLF, TD150H30VLF, TD150H40VLF, TD150H50VLF, TD150H60VLF, TD175H10VLF, TD175H20VLF, TD175H30VLF, TD175H40VLF, TD175H50VLF, TD175H60VLF, TD200H10VLF, TD200H20VLF, TD200H30VLF, TD200H40VLF, TD200H50VLF, TD200H60VLF, TD225H10VLF, TD225H20VLF, TD225H30VLF, TD225H40VLF, TD225H50VLF, TD225H60VLF, TD250H10VLF, TD250H20VLF, TD250H30VLF, TD250H40VLF, TD250H50VLF, TD250H60VLF, TD280H10VLF, TD280H20VLF, TD280H30VLF, TD280H40VLF, TD280H50VLF, TD280H60VLF, TD315H10VLF, TD315H20VLF, TD315H30VLF, TD315H40VLF, TD315H50VLF, TD315H60VLF, TD125H10VRF, TD125H20VRF, TD125H30VRF, TD125H40VRF, TD125H50VRF, TD125H60VRF, TD150H10VRF, TD150H20VRF, TD150H30VRF, TD150H40VRF, TD150H50VRF, TD150H60VRF, TD175H10VRF, TD175H20VRF, TD175H30VRF, TD175H40VRF, TD175H50VRF, TD175H60VRF, TD200H10VRF, TD200H20VRF, TD200H30VRF, TD200H40VRF, TD200H50VRF, TD200H60VRF, TD225H10VRF, TD225H20VRF, TD225H30VRF, TD225H40VRF, TD225H50VRF, TD225H60VRF, TD250H10VRF, TD250H20VRF, TD250H30VRF, TD250H40VRF, TD250H50VRF, TD250H60VRF, TD280H10VRF, TD280H20VRF, TD280H30VRF, TD280H40VRF, TD280H50VRF, TD280H60VRF, TD315H10VRF, TD315H20VRF, TD315H30VRF, TD315H40VRF, TD315H50VRF, TD315H60VRF, TD125S100BL-R, TD125S150BL-R, TD125S200BL-R, TD125S250BL-R, TD125S300BL-R, TD125S450BL-R, TD125S600BL-R, TD125S750BL-R, TD125S900BL-R, TD125S1200BL-R, TD125S1500BL-R, TD125S1800BL-R, TD125S2400BL-R, TD125S3000BL-R, TD125S3600BL-R, TD150S100BL-R, TD150S150BL-R, TD150S200BL-R, TD150S250BL-R, TD150S300BL-R, TD150S450BL-R, TD150S600BL-R, TD150S750BL-R, TD150S900BL-R, TD150S1200BL-R, TD150S1500BL-R, TD150S1800BL-R, TD150S2400BL-R, TD150S3000BL-R, TD150S3600BL-R, TD175S100BL-R, TD175S150BL-R, TD175S200BL-R, TD175S250BL-R, TD175S300BL-R, TD175S450BL-R, TD175S600BL-R, TD175S750BL-R, TD175S900BL-R, TD175S1200BL-R, TD175S1500BL-R, TD175S1800BL-R, TD175S2400BL-R, TD175S3000BL-R, TD175S3600BL-R, TD200S100BL-R, TD200S150BL-R, TD200S200BL-R, TD200S250BL-R, TD200S300BL-R, TD200S450BL-R, TD200S600BL-R, TD200S750BL-R, TD200S900BL-R, TD200S1200BL-R, TD200S1500BL-R, TD200S1800BL-R, TD200S2400BL-R, TD200S3000BL-R, TD200S3600BL-R, TD225S100BL-R, TD225S150BL-R, TD225S200BL-R, TD225S250BL-R, TD225S300BL-R, TD225S450BL-R, TD225S600BL-R, TD225S750BL-R, TD225S900BL-R, TD225S1200BL-R, TD225S1500BL-R, TD225S1800BL-R, TD225S2400BL-R, TD225S3000BL-R, TD225S3600BL-R, TD250S100BL-R, TD250S150BL-R, TD250S200BL-R, TD250S250BL-R, TD250S300BL-R, TD250S450BL-R, TD250S600BL-R, TD250S750BL-R, TD250S900BL-R, TD250S1200BL-R, TD250S1500BL-R, TD250S1800BL-R, TD250S2400BL-R, TD250S3000BL-R, TD250S3600BL-R, TD280S100BL-R, TD280S150BL-R, TD280S200BL-R, TD280S250BL-R, TD280S300BL-R, TD280S450BL-R, TD280S600BL-R, TD280S750BL-R, TD280S900BL-R, TD280S1200BL-R, TD280S1500BL-R, TD280S1800BL-R, TD280S2400BL-R, TD280S3000BL-R, TD280S3600BL-R, TD315S100BL-R, TD315S150BL-R, TD315S200BL-R, TD315S250BL-R, TD315S300BL-R, TD315S450BL-R, TD315S600BL-R, TD315S750BL-R, TD315S900BL-R, TD315S1200BL-R, TD315S1500BL-R, TD315S1800BL-R, TD315S2400BL-R, TD315S3000BL-R, TD315S3600BL-R, TD125S100BR-L, TD125S150BR-L, TD125S200BR-L, TD125S250BR-L, TD125S300BR-L, TD125S450BR-L, TD125S600BR-L, TD125S750BR-L, TD125S900BR-L, TD125S1200BR-L, TD125S1500BR-L, TD125S1800BR-L, TD125S2400BR-L, TD125S3000BR-L, TD125S3600BR-L, TD150S100BR-L, TD150S150BR-L, TD150S200BR-L, TD150S250BR-L, TD150S300BR-L, TD150S450BR-L, TD150S600BR-L, TD150S750BR-L, TD150S900BR-L, TD150S1200BR-L, TD150S1500BR-L, TD150S1800BR-L, TD150S2400BR-L, TD150S3000BR-L, TD150S3600BR-L, TD175S100BR-L, TD175S150BR-L, TD175S200BR-L, TD175S250BR-L, TD175S300BR-L, TD175S450BR-L, TD175S600BR-L, TD175S750BR-L, TD175S900BR-L, TD175S1200BR-L, TD175S1500BR-L, TD175S1800BR-L, TD175S2400BR-L, TD175S3000BR-L, TD175S3600BR-L, TD200S100BR-L, TD200S150BR-L, TD200S200BR-L, TD200S250BR-L, TD200S300BR-L, TD200S450BR-L, TD200S600BR-L, TD200S750BR-L, TD200S900BR-L, TD200S1200BR-L, TD200S1500BR-L, TD200S1800BR-L, TD200S2400BR-L, TD200S3000BR-L, TD200S3600BR-L, TD225S100BR-L, TD225S150BR-L, TD225S200BR-L, TD225S250BR-L, TD225S300BR-L, TD225S450BR-L, TD225S600BR-L, TD225S750BR-L, TD225S900BR-L, TD225S1200BR-L, TD225S1500BR-L, TD225S1800BR-L, TD225S2400BR-L, TD225S3000BR-L, TD225S3600BR-L, TD250S100BR-L, TD250S150BR-L, TD250S200BR-L, TD250S250BR-L, TD250S300BR-L, TD250S450BR-L, TD250S600BR-L, TD250S750BR-L, TD250S900BR-L, TD250S1200BR-L, TD250S1500BR-L, TD250S1800BR-L, TD250S2400BR-L, TD250S3000BR-L, TD250S3600BR-L, TD280S100BR-L, TD280S150BR-L, TD280S200BR-L, TD280S250BR-L, TD280S300BR-L, TD280S450BR-L, TD280S600BR-L, TD280S750BR-L, TD280S900BR-L, TD280S1200BR-L, TD280S1500BR-L, TD280S1800BR-L, TD280S2400BR-L, TD280S3000BR-L, TD280S3600BR-L, TD315S100BR-L, TD315S150BR-L, TD315S200BR-L, TD315S250BR-L, TD315S300BR-L, TD315S450BR-L, TD315S600BR-L, TD315S750BR-L, TD315S900BR-L, TD315S1200BR-L, TD315S1500BR-L, TD315S1800BR-L, TD315S2400BR-L, TD315S3000BR-L, TD315S3600BR-L, TD125S100BL-LR, TD125S150BL-LR, TD125S200BL-LR, TD125S250BL-LR, TD125S300BL-LR, TD125S450BL-LR, TD125S600BL-LR, TD125S750BL-LR, TD125S900BL-LR, TD125S1200BL-LR, TD125S1500BL-LR, TD125S1800BL-LR, TD125S2400BL-LR, TD125S3000BL-LR, TD125S3600BL-LR, TD150S100BL-LR, TD150S150BL-LR, TD150S200BL-LR, TD150S250BL-LR, TD150S300BL-LR, TD150S450BL-LR, TD150S600BL-LR, TD150S750BL-LR, TD150S900BL-LR, TD150S1200BL-LR, TD150S1500BL-LR, TD150S1800BL-LR, TD150S2400BL-LR, TD150S3000BL-LR, TD150S3600BL-LR, TD175S100BL-LR, TD175S150BL-LR, TD175S200BL-LR, TD175S250BL-LR, TD175S300BL-LR, TD175S450BL-LR, TD175S600BL-LR, TD175S750BL-LR, TD175S900BL-LR, TD175S1200BL-LR, TD175S1500BL-LR, TD175S1800BL-LR, TD175S2400BL-LR, TD175S3000BL-LR, TD175S3600BL-LR, TD200S100BL-LR, TD200S150BL-LR, TD200S200BL-LR, TD200S250BL-LR, TD200S300BL-LR, TD200S450BL-LR, TD200S600BL-LR, TD200S750BL-LR, TD200S900BL-LR, TD200S1200BL-LR, TD200S1500BL-LR, TD200S1800BL-LR, TD200S2400BL-LR, TD200S3000BL-LR, TD200S3600BL-LR, TD225S100BL-LR, TD225S150BL-LR, TD225S200BL-LR, TD225S250BL-LR, TD225S300BL-LR, TD225S450BL-LR, TD225S600BL-LR, TD225S750BL-LR, TD225S900BL-LR, TD225S1200BL-LR, TD225S1500BL-LR, TD225S1800BL-LR, TD225S2400BL-LR, TD225S3000BL-LR, TD225S3600BL-LR, TD250S100BL-LR, TD250S150BL-LR, TD250S200BL-LR, TD250S250BL-LR, TD250S300BL-LR, TD250S450BL-LR, TD250S600BL-LR, TD250S750BL-LR, TD250S900BL-LR, TD250S1200BL-LR, TD250S1500BL-LR, TD250S1800BL-LR, TD250S2400BL-LR, TD250S3000BL-LR, TD250S3600BL-LR, TD280S100BL-LR, TD280S150BL-LR, TD280S200BL-LR, TD280S250BL-LR, TD280S300BL-LR, TD280S450BL-LR, TD280S600BL-LR, TD280S750BL-LR, TD280S900BL-LR, TD280S1200BL-LR, TD280S1500BL-LR, TD280S1800BL-LR, TD280S2400BL-LR, TD280S3000BL-LR, TD280S3600BL-LR, TD315S100BL-LR, TD315S150BL-LR, TD315S200BL-LR, TD315S250BL-LR, TD315S300BL-LR, TD315S450BL-LR, TD315S600BL-LR, TD315S750BL-LR, TD315S900BL-LR, TD315S1200BL-LR, TD315S1500BL-LR, TD315S1800BL-LR, TD315S2400BL-LR, TD315S3000BL-LR, TD315S3600BL-LR, TD125S100BR-LR, TD125S150BR-LR, TD125S200BR-LR, TD125S250BR-LR, TD125S300BR-LR, TD125S450BR-LR, TD125S600BR-LR, TD125S750BR-LR, TD125S900BR-LR, TD125S1200BR-LR, TD125S1500BR-LR, TD125S1800BR-LR, TD125S2400BR-LR, TD125S3000BR-LR, TD125S3600BR-LR, TD150S100BR-LR, TD150S150BR-LR, TD150S200BR-LR, TD150S250BR-LR, TD150S300BR-LR, TD150S450BR-LR, TD150S600BR-LR, TD150S750BR-LR, TD150S900BR-LR, TD150S1200BR-LR, TD150S1500BR-LR, TD150S1800BR-LR, TD150S2400BR-LR, TD150S3000BR-LR, TD150S3600BR-LR, TD175S100BR-LR, TD175S150BR-LR, TD175S200BR-LR, TD175S250BR-LR, TD175S300BR-LR, TD175S450BR-LR, TD175S600BR-LR, TD175S750BR-LR, TD175S900BR-LR, TD175S1200BR-LR, TD175S1500BR-LR, TD175S1800BR-LR, TD175S2400BR-LR, TD175S3000BR-LR, TD175S3600BR-LR, TD200S100BR-LR, TD200S150BR-LR, TD200S200BR-LR, TD200S250BR-LR, TD200S300BR-LR, TD200S450BR-LR, TD200S600BR-LR, TD200S750BR-LR, TD200S900BR-LR, TD200S1200BR-LR, TD200S1500BR-LR, TD200S1800BR-LR, TD200S2400BR-LR, TD200S3000BR-LR, TD200S3600BR-LR, TD225S100BR-LR, TD225S150BR-LR, TD225S200BR-LR, TD225S250BR-LR, TD225S300BR-LR, TD225S450BR-LR, TD225S600BR-LR, TD225S750BR-LR, TD225S900BR-LR, TD225S1200BR-LR, TD225S1500BR-LR, TD225S1800BR-LR, TD225S2400BR-LR, TD225S3000BR-LR, TD225S3600BR-LR, TD250S100BR-LR, TD250S150BR-LR, TD250S200BR-LR, TD250S250BR-LR, TD250S300BR-LR, TD250S450BR-LR, TD250S600BR-LR, TD250S750BR-LR, TD250S900BR-LR, TD250S1200BR-LR, TD250S1500BR-LR, TD250S1800BR-LR, TD250S2400BR-LR, TD250S3000BR-LR, TD250S3600BR-LR, TD280S100BR-LR, TD280S150BR-LR, TD280S200BR-LR, TD280S250BR-LR, TD280S300BR-LR, TD280S450BR-LR, TD280S600BR-LR, TD280S750BR-LR, TD280S900BR-LR, TD280S1200BR-LR, TD280S1500BR-LR, TD280S1800BR-LR, TD280S2400BR-LR, TD280S3000BR-LR, TD280S3600BR-LR, TD315S100BR-LR, TD315S150BR-LR, TD315S200BR-LR, TD315S250BR-LR, TD315S300BR-LR, TD315S450BR-LR, TD315S600BR-LR, TD315S750BR-LR, TD315S900BR-LR, TD315S1200BR-LR, TD315S1500BR-LR, TD315S1800BR-LR, TD315S2400BR-LR, TD315S3000BR-LR, TD315S3600BR-LR, TD125S100VL-RU, TD125S150VL-RU, TD125S200VL-RU, TD125S250VL-RU, TD125S300VL-RU, TD125S450VL-RU, TD125S600VL-RU, TD125S750VL-RU, TD125S900VL-RU, TD125S1200VL-RU, TD125S1500VL-RU, TD125S1800VL-RU, TD125S2400VL-RU, TD125S3000VL-RU, TD125S3600VL-RU, TD150S100VL-RU, TD150S150VL-RU, TD150S200VL-RU, TD150S250VL-RU, TD150S300VL-RU, TD150S450VL-RU, TD150S600VL-RU, TD150S750VL-RU, TD150S900VL-RU, TD150S1200VL-RU, TD150S1500VL-RU, TD150S1800VL-RU, TD150S2400VL-RU, TD150S3000VL-RU, TD150S3600VL-RU, TD175S100VL-RU, TD175S150VL-RU, TD175S200VL-RU, TD175S250VL-RU, TD175S300VL-RU, TD175S450VL-RU, TD175S600VL-RU, TD175S750VL-RU, TD175S900VL-RU, TD175S1200VL-RU, TD175S1500VL-RU, TD175S1800VL-RU, TD175S2400VL-RU, TD175S3000VL-RU, TD175S3600VL-RU, TD200S100VL-RU, TD200S150VL-RU, TD200S200VL-RU, TD200S250VL-RU, TD200S300VL-RU, TD200S450VL-RU, TD200S600VL-RU, TD200S750VL-RU, TD200S900VL-RU, TD200S1200VL-RU, TD200S1500VL-RU, TD200S1800VL-RU, TD200S2400VL-RU, TD200S3000VL-RU, TD200S3600VL-RU, TD225S100VL-RU, TD225S150VL-RU, TD225S200VL-RU, TD225S250VL-RU, TD225S300VL-RU, TD225S450VL-RU, TD225S600VL-RU, TD225S750VL-RU, TD225S900VL-RU, TD225S1200VL-RU, TD225S1500VL-RU, TD225S1800VL-RU, TD225S2400VL-RU, TD225S3000VL-RU, TD225S3600VL-RU, TD250S100VL-RU, TD250S150VL-RU, TD250S200VL-RU, TD250S250VL-RU, TD250S300VL-RU, TD250S450VL-RU, TD250S600VL-RU, TD250S750VL-RU, TD250S900VL-RU, TD250S1200VL-RU, TD250S1500VL-RU, TD250S1800VL-RU, TD250S2400VL-RU, TD250S3000VL-RU, TD250S3600VL-RU, TD280S100VL-RU, TD280S150VL-RU, TD280S200VL-RU, TD280S250VL-RU, TD280S300VL-RU, TD280S450VL-RU, TD280S600VL-RU, TD280S750VL-RU, TD280S900VL-RU, TD280S1200VL-RU, TD280S1500VL-RU, TD280S1800VL-RU, TD280S2400VL-RU, TD280S3000VL-RU, TD280S3600VL-RU, TD315S100VL-RU, TD315S150VL-RU, TD315S200VL-RU, TD315S250VL-RU, TD315S300VL-RU, TD315S450VL-RU, TD315S600VL-RU, TD315S750VL-RU, TD315S900VL-RU, TD315S1200VL-RU, TD315S1500VL-RU, TD315S1800VL-RU, TD315S2400VL-RU, TD315S3000VL-RU, TD315S3600VL-RU, TD125S100VR-LU, TD125S150VR-LU, TD125S200VR-LU, TD125S250VR-LU, TD125S300VR-LU, TD125S450VR-LU, TD125S600VR-LU, TD125S750VR-LU, TD125S900VR-LU, TD125S1200VR-LU, TD125S1500VR-LU, TD125S1800VR-LU, TD125S2400VR-LU, TD125S3000VR-LU, TD125S3600VR-LU, TD150S100VR-LU, TD150S150VR-LU, TD150S200VR-LU, TD150S250VR-LU, TD150S300VR-LU, TD150S450VR-LU, TD150S600VR-LU, TD150S750VR-LU, TD150S900VR-LU, TD150S1200VR-LU, TD150S1500VR-LU, TD150S1800VR-LU, TD150S2400VR-LU, TD150S3000VR-LU, TD150S3600VR-LU, TD175S100VR-LU, TD175S150VR-LU, TD175S200VR-LU, TD175S250VR-LU, TD175S300VR-LU, TD175S450VR-LU, TD175S600VR-LU, TD175S750VR-LU, TD175S900VR-LU, TD175S1200VR-LU, TD175S1500VR-LU, TD175S1800VR-LU, TD175S2400VR-LU, TD175S3000VR-LU, TD175S3600VR-LU, TD200S100VR-LU, TD200S150VR-LU, TD200S200VR-LU, TD200S250VR-LU, TD200S300VR-LU, TD200S450VR-LU, TD200S600VR-LU, TD200S750VR-LU, TD200S900VR-LU, TD200S1200VR-LU, TD200S1500VR-LU, TD200S1800VR-LU, TD200S2400VR-LU, TD200S3000VR-LU, TD200S3600VR-LU, TD225S100VR-LU, TD225S150VR-LU, TD225S200VR-LU, TD225S250VR-LU, TD225S300VR-LU, TD225S450VR-LU, TD225S600VR-LU, TD225S750VR-LU, TD225S900VR-LU, TD225S1200VR-LU, TD225S1500VR-LU, TD225S1800VR-LU, TD225S2400VR-LU, TD225S3000VR-LU, TD225S3600VR-LU, TD250S100VR-LU, TD250S150VR-LU, TD250S200VR-LU, TD250S250VR-LU, TD250S300VR-LU, TD250S450VR-LU, TD250S600VR-LU, TD250S750VR-LU, TD250S900VR-LU, TD250S1200VR-LU, TD250S1500VR-LU, TD250S1800VR-LU, TD250S2400VR-LU, TD250S3000VR-LU, TD250S3600VR-LU, TD280S100VR-LU, TD280S150VR-LU, TD280S200VR-LU, TD280S250VR-LU, TD280S300VR-LU, TD280S450VR-LU, TD280S600VR-LU, TD280S750VR-LU, TD280S900VR-LU, TD280S1200VR-LU, TD280S1500VR-LU, TD280S1800VR-LU, TD280S2400VR-LU, TD280S3000VR-LU, TD280S3600VR-LU, TD315S100VR-LU, TD315S150VR-LU, TD315S200VR-LU, TD315S250VR-LU, TD315S300VR-LU, TD315S450VR-LU, TD315S600VR-LU, TD315S750VR-LU, TD315S900VR-LU, TD315S1200VR-LU, TD315S1500VR-LU, TD315S1800VR-LU, TD315S2400VR-LU, TD315S3000VR-LU, TD315S3600VR-LU, TD125S100VL-RD, TD125S150VL-RD, TD125S200VL-RD, TD125S250VL-RD, TD125S300VL-RD, TD125S450VL-RD, TD125S600VL-RD, TD125S750VL-RD, TD125S900VL-RD, TD125S1200VL-RD, TD125S1500VL-RD, TD125S1800VL-RD, TD125S2400VL-RD, TD125S3000VL-RD, TD125S3600VL-RD, TD150S100VL-RD, TD150S150VL-RD, TD150S200VL-RD, TD150S250VL-RD, TD150S300VL-RD, TD150S450VL-RD, TD150S600VL-RD, TD150S750VL-RD, TD150S900VL-RD, TD150S1200VL-RD, TD150S1500VL-RD, TD150S1800VL-RD, TD150S2400VL-RD, TD150S3000VL-RD, TD150S3600VL-RD, TD175S100VL-RD, TD175S150VL-RD, TD175S200VL-RD, TD175S250VL-RD, TD175S300VL-RD, TD175S450VL-RD, TD175S600VL-RD, TD175S750VL-RD, TD175S900VL-RD, TD175S1200VL-RD, TD175S1500VL-RD, TD175S1800VL-RD, TD175S2400VL-RD, TD175S3000VL-RD, TD175S3600VL-RD, TD200S100VL-RD, TD200S150VL-RD, TD200S200VL-RD, TD200S250VL-RD, TD200S300VL-RD, TD200S450VL-RD, TD200S600VL-RD, TD200S750VL-RD, TD200S900VL-RD, TD200S1200VL-RD, TD200S1500VL-RD, TD200S1800VL-RD, TD200S2400VL-RD, TD200S3000VL-RD, TD200S3600VL-RD, TD225S100VL-RD, TD225S150VL-RD, TD225S200VL-RD, TD225S250VL-RD, TD225S300VL-RD, TD225S450VL-RD, TD225S600VL-RD, TD225S750VL-RD, TD225S900VL-RD, TD225S1200VL-RD, TD225S1500VL-RD, TD225S1800VL-RD, TD225S2400VL-RD, TD225S3000VL-RD, TD225S3600VL-RD, TD250S100VL-RD, TD250S150VL-RD, TD250S200VL-RD, TD250S250VL-RD, TD250S300VL-RD, TD250S450VL-RD, TD250S600VL-RD, TD250S750VL-RD, TD250S900VL-RD, TD250S1200VL-RD, TD250S1500VL-RD, TD250S1800VL-RD, TD250S2400VL-RD, TD250S3000VL-RD, TD250S3600VL-RD, TD280S100VL-RD, TD280S150VL-RD, TD280S200VL-RD, TD280S250VL-RD, TD280S300VL-RD, TD280S450VL-RD, TD280S600VL-RD, TD280S750VL-RD, TD280S900VL-RD, TD280S1200VL-RD, TD280S1500VL-RD, TD280S1800VL-RD, TD280S2400VL-RD, TD280S3000VL-RD, TD280S3600VL-RD, TD315S100VL-RD, TD315S150VL-RD, TD315S200VL-RD, TD315S250VL-RD, TD315S300VL-RD, TD315S450VL-RD, TD315S600VL-RD, TD315S750VL-RD, TD315S900VL-RD, TD315S1200VL-RD, TD315S1500VL-RD, TD315S1800VL-RD, TD315S2400VL-RD, TD315S3000VL-RD, TD315S3600VL-RD, TD125S100VR-LD, TD125S150VR-LD, TD125S200VR-LD, TD125S250VR-LD, TD125S300VR-LD, TD125S450VR-LD, TD125S600VR-LD, TD125S750VR-LD, TD125S900VR-LD, TD125S1200VR-LD, TD125S1500VR-LD, TD125S1800VR-LD, TD125S2400VR-LD, TD125S3000VR-LD, TD125S3600VR-LD, TD150S100VR-LD, TD150S150VR-LD, TD150S200VR-LD, TD150S250VR-LD, TD150S300VR-LD, TD150S450VR-LD, TD150S600VR-LD, TD150S750VR-LD, TD150S900VR-LD, TD150S1200VR-LD, TD150S1500VR-LD, TD150S1800VR-LD, TD150S2400VR-LD, TD150S3000VR-LD, TD150S3600VR-LD, TD175S100VR-LD, TD175S150VR-LD, TD175S200VR-LD, TD175S250VR-LD, TD175S300VR-LD, TD175S450VR-LD, TD175S600VR-LD, TD175S750VR-LD, TD175S900VR-LD, TD175S1200VR-LD, TD175S1500VR-LD, TD175S1800VR-LD, TD175S2400VR-LD, TD175S3000VR-LD, TD175S3600VR-LD, TD200S100VR-LD, TD200S150VR-LD, TD200S200VR-LD, TD200S250VR-LD, TD200S300VR-LD, TD200S450VR-LD, TD200S600VR-LD, TD200S750VR-LD, TD200S900VR-LD, TD200S1200VR-LD, TD200S1500VR-LD, TD200S1800VR-LD, TD200S2400VR-LD, TD200S3000VR-LD, TD200S3600VR-LD, TD225S100VR-LD, TD225S150VR-LD, TD225S200VR-LD, TD225S250VR-LD, TD225S300VR-LD, TD225S450VR-LD, TD225S600VR-LD, TD225S750VR-LD, TD225S900VR-LD, TD225S1200VR-LD, TD225S1500VR-LD, TD225S1800VR-LD, TD225S2400VR-LD, TD225S3000VR-LD, TD225S3600VR-LD, TD250S100VR-LD, TD250S150VR-LD, TD250S200VR-LD, TD250S250VR-LD, TD250S300VR-LD, TD250S450VR-LD, TD250S600VR-LD, TD250S750VR-LD, TD250S900VR-LD, TD250S1200VR-LD, TD250S1500VR-LD, TD250S1800VR-LD, TD250S2400VR-LD, TD250S3000VR-LD, TD250S3600VR-LD, TD280S100VR-LD, TD280S150VR-LD, TD280S200VR-LD, TD280S250VR-LD, TD280S300VR-LD, TD280S450VR-LD, TD280S600VR-LD, TD280S750VR-LD, TD280S900VR-LD, TD280S1200VR-LD, TD280S1500VR-LD, TD280S1800VR-LD, TD280S2400VR-LD, TD280S3000VR-LD, TD280S3600VR-LD, TD315S100VR-LD, TD315S150VR-LD, TD315S200VR-LD, TD315S250VR-LD, TD315S300VR-LD, TD315S450VR-LD, TD315S600VR-LD, TD315S750VR-LD, TD315S900VR-LD, TD315S1200VR-LD, TD315S1500VR-LD, TD315S1800VR-LD, TD315S2400VR-LD, TD315S3000VR-LD, TD315S3600VR-LD, TD125S100VL-RUD, TD125S150VL-RUD, TD125S200VL-RUD, TD125S250VL-RUD, TD125S300VL-RUD, TD125S450VL-RUD, TD125S600VL-RUD, TD125S750VL-RUD, TD125S900VL-RUD, TD125S1200VL-RUD, TD125S1500VL-RUD, TD125S1800VL-RUD, TD125S2400VL-RUD, TD125S3000VL-RUD, TD125S3600VL-RUD, TD150S100VL-RUD, TD150S150VL-RUD, TD150S200VL-RUD, TD150S250VL-RUD, TD150S300VL-RUD, TD150S450VL-RUD, TD150S600VL-RUD, TD150S750VL-RUD, TD150S900VL-RUD, TD150S1200VL-RUD, TD150S1500VL-RUD, TD150S1800VL-RUD, TD150S2400VL-RUD, TD150S3000VL-RUD, TD150S3600VL-RUD, TD175S100VL-RUD, TD175S150VL-RUD, TD175S200VL-RUD, TD175S250VL-RUD, TD175S300VL-RUD, TD175S450VL-RUD, TD175S600VL-RUD, TD175S750VL-RUD, TD175S900VL-RUD, TD175S1200VL-RUD, TD175S1500VL-RUD, TD175S1800VL-RUD, TD175S2400VL-RUD, TD175S3000VL-RUD, TD175S3600VL-RUD, TD200S100VL-RUD, TD200S150VL-RUD, TD200S200VL-RUD, TD200S250VL-RUD, TD200S300VL-RUD, TD200S450VL-RUD, TD200S600VL-RUD, TD200S750VL-RUD, TD200S900VL-RUD, TD200S1200VL-RUD, TD200S1500VL-RUD, TD200S1800VL-RUD, TD200S2400VL-RUD, TD200S3000VL-RUD, TD200S3600VL-RUD, TD225S100VL-RUD, TD225S150VL-RUD, TD225S200VL-RUD, TD225S250VL-RUD, TD225S300VL-RUD, TD225S450VL-RUD, TD225S600VL-RUD, TD225S750VL-RUD, TD225S900VL-RUD, TD225S1200VL-RUD, TD225S1500VL-RUD, TD225S1800VL-RUD, TD225S2400VL-RUD, TD225S3000VL-RUD, TD225S3600VL-RUD, TD250S100VL-RUD, TD250S150VL-RUD, TD250S200VL-RUD, TD250S250VL-RUD, TD250S300VL-RUD, TD250S450VL-RUD, TD250S600VL-RUD, TD250S750VL-RUD, TD250S900VL-RUD, TD250S1200VL-RUD, TD250S1500VL-RUD, TD250S1800VL-RUD, TD250S2400VL-RUD, TD250S3000VL-RUD, TD250S3600VL-RUD, TD280S100VL-RUD, TD280S150VL-RUD, TD280S200VL-RUD, TD280S250VL-RUD, TD280S300VL-RUD, TD280S450VL-RUD, TD280S600VL-RUD, TD280S750VL-RUD, TD280S900VL-RUD, TD280S1200VL-RUD, TD280S1500VL-RUD, TD280S1800VL-RUD, TD280S2400VL-RUD, TD280S3000VL-RUD, TD280S3600VL-RUD, TD315S100VL-RUD, TD315S150VL-RUD, TD315S200VL-RUD, TD315S250VL-RUD, TD315S300VL-RUD, TD315S450VL-RUD, TD315S600VL-RUD, TD315S750VL-RUD, TD315S900VL-RUD, TD315S1200VL-RUD, TD315S1500VL-RUD, TD315S1800VL-RUD, TD315S2400VL-RUD, TD315S3000VL-RUD, TD315S3600VL-RUD, TD125S100VR-LUD, TD125S150VR-LUD, TD125S200VR-LUD, TD125S250VR-LUD, TD125S300VR-LUD, TD125S450VR-LUD, TD125S600VR-LUD, TD125S750VR-LUD, TD125S900VR-LUD, TD125S1200VR-LUD, TD125S1500VR-LUD, TD125S1800VR-LUD, TD125S2400VR-LUD, TD125S3000VR-LUD, TD125S3600VR-LUD, TD150S100VR-LUD, TD150S150VR-LUD, TD150S200VR-LUD, TD150S250VR-LUD, TD150S300VR-LUD, TD150S450VR-LUD, TD150S600VR-LUD, TD150S750VR-LUD, TD150S900VR-LUD, TD150S1200VR-LUD, TD150S1500VR-LUD, TD150S1800VR-LUD, TD150S2400VR-LUD, TD150S3000VR-LUD, TD150S3600VR-LUD, TD175S100VR-LUD, TD175S150VR-LUD, TD175S200VR-LUD, TD175S250VR-LUD, TD175S300VR-LUD, TD175S450VR-LUD, TD175S600VR-LUD, TD175S750VR-LUD, TD175S900VR-LUD, TD175S1200VR-LUD, TD175S1500VR-LUD, TD175S1800VR-LUD, TD175S2400VR-LUD, TD175S3000VR-LUD, TD175S3600VR-LUD, TD200S100VR-LUD, TD200S150VR-LUD, TD200S200VR-LUD, TD200S250VR-LUD, TD200S300VR-LUD, TD200S450VR-LUD, TD200S600VR-LUD, TD200S750VR-LUD, TD200S900VR-LUD, TD200S1200VR-LUD, TD200S1500VR-LUD, TD200S1800VR-LUD, TD200S2400VR-LUD, TD200S3000VR-LUD, TD200S3600VR-LUD, TD225S100VR-LUD, TD225S150VR-LUD, TD225S200VR-LUD, TD225S250VR-LUD, TD225S300VR-LUD, TD225S450VR-LUD, TD225S600VR-LUD, TD225S750VR-LUD, TD225S900VR-LUD, TD225S1200VR-LUD, TD225S1500VR-LUD, TD225S1800VR-LUD, TD225S2400VR-LUD, TD225S3000VR-LUD, TD225S3600VR-LUD, TD250S100VR-LUD, TD250S150VR-LUD, TD250S200VR-LUD, TD250S250VR-LUD, TD250S300VR-LUD, TD250S450VR-LUD, TD250S600VR-LUD, TD250S750VR-LUD, TD250S900VR-LUD, TD250S1200VR-LUD, TD250S1500VR-LUD, TD250S1800VR-LUD, TD250S2400VR-LUD, TD250S3000VR-LUD, TD250S3600VR-LUD, TD280S100VR-LUD, TD280S150VR-LUD, TD280S200VR-LUD, TD280S250VR-LUD, TD280S300VR-LUD, TD280S450VR-LUD, TD280S600VR-LUD, TD280S750VR-LUD, TD280S900VR-LUD, TD280S1200VR-LUD, TD280S1500VR-LUD, TD280S1800VR-LUD, TD280S2400VR-LUD, TD280S3000VR-LUD, TD280S3600VR-LUD, TD315S100VR-LUD, TD315S150VR-LUD, TD315S200VR-LUD, TD315S250VR-LUD, TD315S300VR-LUD, TD315S450VR-LUD, TD315S600VR-LUD, TD315S750VR-LUD, TD315S900VR-LUD, TD315S1200VR-LUD, TD315S1500VR-LUD, TD315S1800VR-LUD, TD315S2400VR-LUD, TD315S3000VR-LUD, TD315S3600VR-LUD, TD125H100BL-RF, TD125H150BL-RF, TD125H200BL-RF, TD125H250BL-RF, TD125H300BL-RF, TD125H450BL-RF, TD125H600BL-RF, TD125H750BL-RF, TD125H900BL-RF, TD125H1200BL-RF, TD125H1500BL-RF, TD125H1800BL-RF, TD125H2400BL-RF,
Tsubaki động cơ đại lý ủy quyền, Tsubaki động cơ đại lý ủy quyền Tsubaki động cơ đại lý ủy quyền, Tsubaki động cơ đại lý ủy quyền, Tsubaki động cơ đại lý ủy quyền, Tsubaki động cơ đại lý ủy quyền, Tsubaki động cơ đại lý ủy quyền,Tsubaki động cơ đại lý ủy quyền